最好看的2018免费观看在线-最好看的2019中文电影-最好免费观看高清视频免费-最近免费中文字幕大全免费版视频

您好!歡迎光臨烜芯微科技品牌官網!

深圳市烜芯微科技有限公司

ShenZhen XuanXinWei Technoligy Co.,Ltd
二極管、三極管、MOS管、橋堆

全國服務熱線:18923864027

  • 熱門關鍵詞:
  • 橋堆
  • 場效應管
  • 三極管
  • 二極管
  • 單片機的電子直流保險絲設計圖解
    • 發布時間:2021-12-20 16:08:26
    • 來源:
    • 閱讀次數:
    單片機的電子直流保險絲設計圖解
    隨著電子產品的不斷更新,保險絲作為電子產品保護裝置的關鍵元件,其市場需求將會一直存在并不斷增長,市場對保險絲的功能將有更多的要求。但是一般的電子保險電路特性并不符合普通保險絲的熔斷特性,其熔斷時間不隨電流的變化而變化。而基于單片機的電子保險絲克服了這一缺點,利用單片機即可對普通保險絲進行模擬,又能具有普通保險絲所沒有的功能。
    保險絲
    電子保險絲
    1.系統總體結構
    系統包括以下幾個電路模塊:STC89C52最小系統模塊,MAX471電流采集模塊、TLC2543 A/D轉換模塊、功能選擇模塊、1602液晶顯示模塊、繼電器控制模塊等。
    其中,STC89C52最小系統模塊是整個系統的控制核心;MAX471電流采集模塊負責采集外圍電路電流;TLC2543 A/D轉換模塊負責將MAX471采集到的電流值進行模數轉換傳給單片機;功能選擇模塊用四個按鍵實現,三個檔位鍵(0.3A,5S;0.4A,1S;2A,0.5S通過軟件可對三個檔進行設置),一個功能復位鍵;1602液晶顯示模塊將采集到的電流值實時顯示出來,并顯示所選的檔位的相關數值;繼電器控制模塊根據單片機的控制對外圍電路進行通、斷控制。系統總體結構框圖如圖1所示。
    保險絲
    圖1 系統總體結構框圖
    2.硬件設計
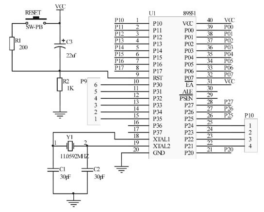
    2.1STC89C52單片機最小系統
    STC89C52是STC公司生產的一種低功耗、高性能CMOS8位微控制器,具有8K在系統可編程Flash存儲器。STC89C52使用經典的MCS-51內核,但做了很多的改進使得芯片具有傳統51單片機不具備的功能。在單芯片上,擁有靈巧的8位CPU和在系統可編程Flash,使得STC89C52為眾多嵌入式控制應用系統提供靈活、有效的解決方案。
    具有以下標準功能:8k 字節Flash,512字節RAM ,32位IO口線,看門狗定時器,內置4KB EEP-ROM ,MAX810復位電路,3個16位定時器/計數器,4個外部中斷,一個7向量4級中斷結構,全雙工串行口。最高運作頻率35MHz,本系統選擇11.0592MHz。最小系統電路如圖2所示。
    保險絲
    圖2 最小系統電路圖
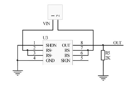
    2.2MAX471電流采樣電路
    MAX471是美國MAXIM 公司生產的雙向、精密電流傳感放大器,內置35mQ精密傳感電阻,在工作溫度范圍內,精度為2% ,可測量電流的上下限為±3A。硬件電路如圖3所示。圖中輸出電阻R,為2KQ的精密電阻,則輸出端OUT端的電壓為VOUT=R5×ITEST×500×10-6V,其中Issr為外圍電路的被測電流。這里只用于直流電路,SIGN端懸空,使用時保證VIN端接高電壓端。
    保險絲
    圖3 MAX471電流采樣電路
    2.3TLC2543 A/D轉換電路
    MAX471電流采樣電路輸出的電壓信號由OUT端輸出,需經過A/D轉換后送單片機,考慮到精度的要求,選用12位的TLC2543。其硬件電路如圖4所示。圖中REF+引腳接+4.096V的電壓,REF-引腳接地。
    保險絲
    圖4 TLC2543 A/D轉換電路
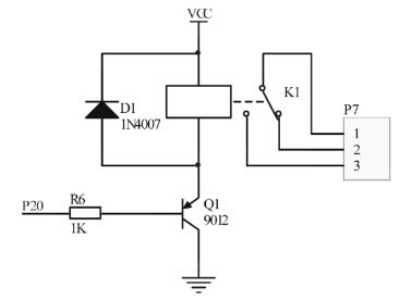
    2.4繼電器控制電路
    外圍電路的通斷由繼電器控制,控制電路如圖5所示。當檢測到電流超過設定值和預定時間后,由單片機的P2.0引腳輸出低電平,控制繼電器斷開外圍電路;當再次復位后外圍電路接通。
    保險絲
    圖5 繼電器控制電路
    3.軟件設計
    開機后首先通過MAX471采集外圍電路的電流,電流經過TLC2543 A/D轉換成數字量,并在LCD顯示當前電流值,當外圍電路的電流超出事先設定好的熔斷電流時,定時器開始定時,達到熔斷時間,繼電器吸合,外圍電路斷開,當按下復位鍵,繼電器復位,外圍電路恢復正常工作。具體流程如圖6所示。
    保險絲
    圖6 軟件設計流程圖
    結束語
    以上就是基于單片機的電子直流保險絲設計介紹了。該設計以STC89C52為控制核心設計的電子直流保險絲,對外圍直流電路的實時電流進行采集檢測、顯示,并對外圍電路實現控制,從而達到保護的作用。主要優點在于可以通過A/D轉換器同時采集,實現對多個外圍電路的檢測與保護。本系統達到了簡易保險絲的要求,性能穩定可靠,且成本較低。
    〈烜芯微/XXW〉專業制造二極管,三極管,MOS管,橋堆等,20年,工廠直銷省20%,上萬家電路電器生產企業選用,專業的工程師幫您穩定好每一批產品,如果您有遇到什么需要幫助解決的,可以直接聯系下方的聯系號碼或加QQ/微信,由我們的銷售經理給您精準的報價以及產品介紹
     
    電話:18923864027(同微信)
    QQ:709211280

    相關閱讀