最好看的2018免费观看在线-最好看的2019中文电影-最好免费观看高清视频免费-最近免费中文字幕大全免费版视频

您好!歡迎光臨烜芯微科技品牌官網!

深圳市烜芯微科技有限公司

ShenZhen XuanXinWei Technoligy Co.,Ltd
二極管、三極管、MOS管、橋堆

全國服務熱線:18923864027

  • 熱門關鍵詞:
  • 橋堆
  • 場效應管
  • 三極管
  • 二極管
  • TDA2822的特點,TDA2822引腳功能與應用電路介紹
    • 發布時間:2021-11-11 17:47:15
    • 來源:
    • 閱讀次數:
    TDA2822的特點,TDA2822引腳功能與應用電路介紹
    TDA2822是雙通道單片功率放大集成電路,具有電路簡單、音質好、電壓范圍寬等特點,可工作于立體聲以及橋式放大(BTL)的電路形式下。通常在袖珍式盒式放音機(WALKMAN)、收錄機和多媒體有源音箱中作音頻放大器。本文將介紹其的特點、引腳功能、應用電路等等。
    TDA2822
    圖1 TDA2822
    1.芯片特點
    靜態電流小,交越失真也小
    適用于單聲道橋式(BTL)或立體聲線路兩種工作狀態
    采用雙列直插8 腳塑料封裝(DIP-8)和貼片式(SOP-8)封裝
    電源電壓范圍寬(1.8~15V,TDA2822M),電源電壓低至1.8V時仍能工作
    2.結構圖
    TDA2822
    圖2 TDA2822結構圖
    3.引腳配置
    TDA2822
    圖3 TDA2822引腳排列圖
    引腳功能表
    TDA2822
    4.工作電壓
    tda2822的工作電壓分為兩種:一種3-6V;另一種9-12V。其實他的最低工作電壓可達1.8V。
    5.最大額定值
    TDA2822
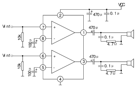
    6.應用電路
    立體聲應用線路
    TDA2822
    圖4 Stereo立體聲功放的典型應用
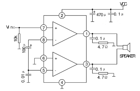
    單聲道BTL應用線路
    TDA2822
    圖5 Bridge單聲道橋式(BTL)功放的典型應用
    7.實例應用
    圖6是這款話筒功放電路,外圍元件少,制作簡單,音質卻出乎意料的好。采用一塊雙路音頻放大集成電路。其主要特點是效率高、耗電省,靜態工作電流典型值只有6mA左右,該集成電路的電壓適應能力強(1.8V~15VDC),即使在1.8V低電壓下使用,仍會有約 100mW的功率輸出,具體如圖所示。
    TDA2822
    圖6 話筒功放電路圖
    工作原理
    駐極體話筒MIC將拾取的聲音信號轉換成電信號后,經C2和W從U1的②腳引入,經U1音頻放大后,推動喇叭發音。本機接成BTL輸出電路,這對于改善音質,降低失真大有好處,同時輸出功率也增加了4倍,當3V供電時,其輸出功率為350mW。
    〈烜芯微/XXW〉專業制造二極管,三極管,MOS管,橋堆等,20年,工廠直銷省20%,上萬家電路電器生產企業選用,專業的工程師幫您穩定好每一批產品,如果您有遇到什么需要幫助解決的,可以直接聯系下方的聯系號碼或加QQ/微信,由我們的銷售經理給您精準的報價以及產品介紹
     
    電話:18923864027(同微信)
    QQ:709211280

    相關閱讀