最好看的2018免费观看在线-最好看的2019中文电影-最好免费观看高清视频免费-最近免费中文字幕大全免费版视频

您好!歡迎光臨烜芯微科技品牌官網!

深圳市烜芯微科技有限公司

ShenZhen XuanXinWei Technoligy Co.,Ltd
二極管、三極管、MOS管、橋堆

全國服務熱線:18923864027

  • 熱門關鍵詞:
  • 橋堆
  • 場效應管
  • 三極管
  • 二極管
  • 74HC595,基于74HC595的多位LED顯示實現設計
    • 發布時間:2021-11-05 17:13:11
    • 來源:
    • 閱讀次數:
    74HC595,基于74HC595的多位LED顯示實現設計
    單片機應用系統中使用的顯示器主要有LED和LCD兩種。近年來也有用CRT顯示的。前者價格低廉,配置靈活,與單片機接口方便;后者可進行圖形顯示,但接口較復雜,成本也較高。LED(Ling Emiting Diode)是發光二極管的縮寫。實際應用非常普遍的是八段LED顯示器。LED顯示器在大型報時屏幕,銀行利率顯示,城市霓虹燈建設中,得到廣泛應用。在這些需要多位LED顯示的場合,怎樣實現系統穩定.價格低廉的顯示,成為決定其成本的關鍵所在。因此本位提出了一種用74HC595實現多位LED顯示的新方法,同時對該系統的硬件組成和軟件實現作了詳細說明。
    1.LED靜、動態顯示原理
    74HC595是通用移位寄存器芯片。并行輸出端具有輸出鎖存功能。與單片機連接簡單方便,只須三個I/O口即可。而且通過芯片的Q7引腳和SER引腳,可以級聯;而且價格低廉。
    1.1靜態顯示
    每位LED顯示器段選線和74HC595的并行輸出端相連,每一位可以獨立顯示(見圖1)。在同一時間里,每一位顯示的字符可以各不相同(每一位由一個74HC595的并行輸出口控制段選碼)。N位LED顯示要求N個74HC595芯片及N+3條I/O口線,占用資源較多,而且成本較高,這對于多位LED顯示很不利。
    74HC595
    圖1 LED靜態顯示驅動電路連線
    1.2動態顯示
    在多位LED顯示時,為了簡化電路,降低成本,節省系統資源,將所有的N位段選碼并聯在一起.由一片74HC595控制(見圖2)。由于所有LED的段選碼皆由一個74HC595并行輸出口控制,因此,在每一瞬間,N位LED會顯示相同的字符。想要每位顯示不同的字符,就必須采用掃描的方法,即在每一瞬間只使用一位顯示字符。在此瞬間,74HC595并行輸出口輸出相應字符段選碼,而位選則控制I/O口在該顯示位送入選通電平,以保證該位顯示相應字符。如此輪流,使每位分時顯示該位應顯示字符。由于74HC595具有鎖存功能,而且串行輸入段選碼需要一定時間,因此,不需要延時,即可形成視覺暫留效果。
    74HC595
    圖2 LED動態顯示驅動電路連線圖
    N位LED顯示時.只需要一片74HC595即可完成,成本最低。但是,此種方法的最大弱點就是當LED的位數大于12位時,出現閃爍現象,這是所有動態LED顯示方式共同的弱點。
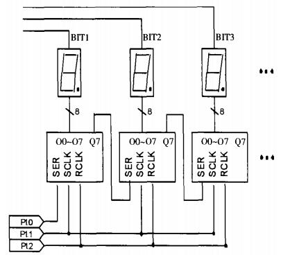
    2.多位LED顯示方法實現
    為實現24位或更多位LED顯示,本文提出了一種全新的方法。此方法結合了動態和靜態顯示的優點,可以說是兩者的結合。段選碼由三片74HC595控制,段選數據由74HC595的SER引腳串行輸人,由于輸出使能時鐘RCLK并接在一起,因此,三片74HC595并行輸出端同時輸出。而三個LED位選信號也并接在一起,因此,一次可以同時點亮三位LED。此過程類似于靜態顯示。每片74HC595并行輸出端并接8位LED,用于掃描輸出,此過程類似于動態掃描過程。此方法運用3片74HC595,13條位選信號,即可實現3n位LED顯示。成本低廉,而且節省資源。此種方法實現多位LED顯示程序框圖為圖3所示,MCU為89S52。
    74HC595
    圖3 多位LED顯示程序流程框圖
    示例程序如下(24位LED顯示):
    74HC595
    結論
    本文總結了基于74HC595實現多位LED顯示的方法,實踐證明,此多位LED顯示方法性能穩定,如再級聯一片74HC595,在不需要增加I/O口線的情況下,即可實現32位LED顯示;而且此方法連線簡單方便,成本低廉。
    〈烜芯微/XXW〉專業制造二極管,三極管,MOS管,橋堆等,20年,工廠直銷省20%,上萬家電路電器生產企業選用,專業的工程師幫您穩定好每一批產品,如果您有遇到什么需要幫助解決的,可以直接聯系下方的聯系號碼或加QQ/微信,由我們的銷售經理給您精準的報價以及產品介紹
     
    電話:18923864027(同微信)
    QQ:709211280

    相關閱讀