最好看的2018免费观看在线-最好看的2019中文电影-最好免费观看高清视频免费-最近免费中文字幕大全免费版视频

您好!歡迎光臨烜芯微科技品牌官網!

深圳市烜芯微科技有限公司

ShenZhen XuanXinWei Technoligy Co.,Ltd
二極管、三極管、MOS管、橋堆

全國服務熱線:18923864027

  • 熱門關鍵詞:
  • 橋堆
  • 場效應管
  • 三極管
  • 二極管
  • LM311,基于LM311的實用漏水檢測電路設計圖解
    • 發布時間:2021-11-01 16:46:01
    • 來源:
    • 閱讀次數:
    LM311,基于LM311的實用漏水檢測電路設計圖解
    電壓比較器簡稱比較器,其基本功能是對兩個輸入電壓進行比較,并根據比較結果輸出高電平或低電平電壓,據此來判斷輸入信號的大小和極性。電壓比較器常用于自動控制、波形產生與交換,模數轉換以及越限報警等許多場合。
    電壓比較器通常由集成運放構成,與普通運放電路不同的是,比較器中的集成運放大多處于開環或正反饋的狀態。只要在兩個輸入端加一個很小的信號,運放就會進入非線性區,屬于集成運放的非線性應用范圍。在分析比較器時,虛短路原則仍成立,虛短及虛地等概念僅在判斷臨界情況時才適應。
    電壓比較器是將一個模擬輸入信號ui與一個固定的參考電壓UR進行比較和鑒別的電路。
    LM311
    圖1 電壓比較器及傳輸特性
    1.LM311應用
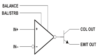
    LM311是性能價格比較高的集成芯片。LM311可用作精密的頻率電壓(F/V)轉換器、A/D轉換器、線性頻率調制解調、長時間積分器以及其他相關的器件。LM311為雙列直插式8腳芯片。LM311內部有:輸入比較電路、定時比較電路、R-S觸發電路、復零晶體管、輸出保護點電路等部分。輸出管采用集電極開路形式,因此可以通過選擇邏輯電流和外接電阻,靈活改變輸出脈沖的邏輯電平,從而適應TTL、DTL和CMOS等不同的邏輯電路。此外,LM311可采用單/雙電源供電,電壓范圍為4~40V,輸出也高達40V。
    LM311
    圖2 LM311引腳圖
    LM311
    圖3 LM311結構示意圖
    2.漏水檢測電路設計
    漏水檢測器原理:在有水漏到接水板的兩個電極之間時,兩個電極之間的電阻值會發生極大的變化,感知是否存在漏水發生。
    電橋電路是用比較法測量各種物理量的一種電路。最簡單的是由四個支路組成的電路,各個支路稱為電橋的“臂”。實際檢測電路中,利用電橋電路在檢測電阻方面的優良特性,通過檢測電橋的電壓來檢測電阻值的變化。
    可以認為漏水檢測電極為一個可變電阻,作為電橋的一個支路,其余三個支路阻值相等。具體阻值可以根據漏水電極在有水和無水時的電阻值來確定。其范圍應在水時的阻值與無水時的阻值之間,可以取其中間值作為其余是三路電阻的值。
    在檢測電橋中,如果檢測電極沒有漏水,其阻值較大,所以V+﹥V﹣,即V_id﹥0,V_out﹥0。
    如果檢測電極有漏水,其阻值較小,所以V+﹤V﹣,即:V_id﹤0,V_out﹤0。這樣就能很準確的檢測出是否存在漏水現象。也就是說,電壓比較器LM311的輸出電平的高低就代表了有無漏水現象。
    LM311
    圖4 漏水檢測原理圖
    LM311
    圖5 漏水傳感器PCB實物圖
    在電路設計時,應注意到當一個高速比較器被用于高速輸入信號和低源阻抗輸入信號時,正常的輸出響應應該是快速和穩定的,然而,當輸入的信號是緩變信號或高阻信號源,比較器就有可能在比較閥值點發生振蕩,這是由于比較器的高增益和寬帶造成的,干擾的存在也是造成這種振蕩的直接原因之一。在應用中,要避免這種振蕩和不穩定。振蕩的產生與結構的安排關系很大。信號輸出端要遠離輸入端的管腳,也應遠離兩平衡端管腳。正負電源應加濾波電容,濾除電源的干擾,并且將電容放在管腳附近。增大輸入信號的幅度,減少產生振蕩的可能性。在比較器的輸出端上拉電阻兩端并接一個容量適當的電容,對濾除和減弱振蕩有顯著效果。
    小結
    LM311是一種常用的線性比較器,以其很高的性價比,廣泛的應用于各種比較電路中。本文就是利用了LM311的這一特性,設計了一種簡單實用的漏水檢測電路。此電路具有結構簡單,制造成本低,檢測精度高的特點,在實際檢測電路中得到了較好的應用。
    〈烜芯微/XXW〉專業制造二極管,三極管,MOS管,橋堆等,20年,工廠直銷省20%,上萬家電路電器生產企業選用,專業的工程師幫您穩定好每一批產品,如果您有遇到什么需要幫助解決的,可以直接聯系下方的聯系號碼或加QQ/微信,由我們的銷售經理給您精準的報價以及產品介紹
     
    電話:18923864027(同微信)
    QQ:709211280

    相關閱讀