最好看的2018免费观看在线-最好看的2019中文电影-最好免费观看高清视频免费-最近免费中文字幕大全免费版视频

您好!歡迎光臨烜芯微科技品牌官網!

深圳市烜芯微科技有限公司

ShenZhen XuanXinWei Technoligy Co.,Ltd
二極管、三極管、MOS管、橋堆

全國服務熱線:18923864027

  • 熱門關鍵詞:
  • 橋堆
  • 場效應管
  • 三極管
  • 二極管
  • 利用LM386組成的振蕩器電路圖解
    • 發布時間:2021-10-19 18:59:22
    • 來源:
    • 閱讀次數:
    利用LM386組成的振蕩器電路圖解
    LM386是一種小功率音頻放大集成電路,采用8腳雙列直插式塑料封裝,工作電壓4V-15V,當電源電壓為12V時,在8Ω負載上可獲得300mW輸出功率。用LM386可以很方便地制作各種振蕩器。
    1.最簡振蕩器
    LM386
    圖1 最簡單振蕩器電路圖
    見圖1,用壓電陶瓷片HTD連接LM386的輸出端和同相輸人端,放大器即形成正反饋而產生振蕩。這里HTD既是反饋電容,又是發聲器件。
    圖中元件參數:D1~D4為1N4001,C1=220pF,HTD為帶助聲腔的壓電陶瓷片
    2.間歇振蕩器
    LM386
    圖2 間歇振蕩器電路圖
    見圖2,LM386和C3、C4及揚聲器構成簡易振蕩器。RP和C2使這一振蕩器產生間歇振蕩,接通電源后,因C2初始端電壓為零,LM386不工作,電源經RP向C2充電。當C2充電電壓高于某個值時,LM386振蕩器起振,隨著振幅的不斷增大,振蕩器消耗電流也在增大,此電流流過RP,其在RP上的壓降也在增大,使LM386的電源供應端6腳電壓不斷下降。最終LM386無法工作,振蕩器停振。電源再次經RP向C2充電,使C2端電壓上升,當C2端電壓上升至某個值時,LM386振蕩器再次起振,如此循環工作,使振蕩器產生間歇振蕩,揚聲器發出“嘟、嘟、嘟。。。。。的叫聲。。
    圖中元件參數:D1~D4為1N4001,C1=C3=220μF,C2=47μF.C4=0.01μF,RP=4.7K.
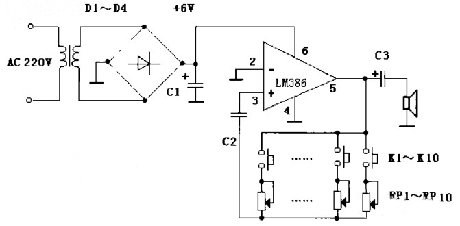
    3.電子琴
    LM386
    圖3 電子琴電路圖
    圖3是一種簡易電子琴電路。在LM386的第3腳,集成電路內置有一個10KΩ的電阻接地、此內置電阻和RP1~RP10等十只音階電阻構成振蕩器的定時電阻。C2為定時電容,調節RP1~RP10的值,可使揚聲器依次發出從低八度“1.2.3”到高八度“1.2.3“的樂音,KI~K10為琴鍵開關。
    圖中元件參數:Cl=C3=220μF.C2=2200μF,RP1~RP10為85K可調電陽
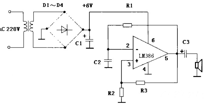
    4.方波振蕩器
    LM386
    圖4 方波振蕩器電路圖
    圖4為用LM386構成的方波振蕩器,R1為定時電阻.C2為定時電容.R2和R3為LM386同相輸入端提供電壓偏置。接通電源后,由于C2端電壓不能突變,LM386的反相輸人端2腳為置低電平,5腳為放大器內部OTL輸出級的中點,靜態時為1/2Voc,經R2.R3分壓后供給同相輸人端第3腳,顯然該腳電位高于第2腳。因此5腳輸出高電平。此高電平經R1向C2充電,當C2端電壓高于3腳電位時,5腳輸出低電平.C2又經R1向5腳放電。當C2放完電,2腳電位下降并低于3腳電位.5腳再次輸出高電平,如此循環工作,電路形成振蕩,振蕩信號經C3推動揚聲器發聲
    圖中元件參數:C1=C3=220μF,C2=0.33μF.R1=22K,R2=1K.R3=9.4K。
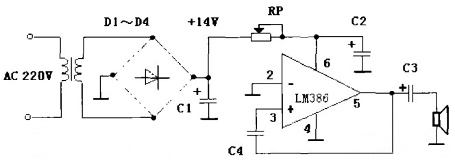
    5.正弦波振蕩器
    LM386
    圖5 正弦波振蕩器電路圖
    如圖5是一個利用LM386制作而成的正弦波振蕩器,電路采用文氏電橋振蕩方式,輸出信號的失真系數極低。小電珠H與電阻R3組成負反饋電路,它使振蕩器輸出信號的幅值保持穩定,而且具有較低的失真。當電容C1、C2取值相同時,電路振蕩頻率可由公式f=1/2C1 R1R2求得,采用圖示數據時正弦波頻率為1kHz。在實際制作時,H可選用3V、15mA的小電珠。
    〈烜芯微/XXW〉專業制造二極管,三極管,MOS管,橋堆等,20年,工廠直銷省20%,上萬家電路電器生產企業選用,專業的工程師幫您穩定好每一批產品,如果您有遇到什么需要幫助解決的,可以直接聯系下方的聯系號碼或加QQ/微信,由我們的銷售經理給您精準的報價以及產品介紹
     
    電話:18923864027(同微信)
    QQ:709211280

    相關閱讀