最好看的2018免费观看在线-最好看的2019中文电影-最好免费观看高清视频免费-最近免费中文字幕大全免费版视频

您好!歡迎光臨烜芯微科技品牌官網!

深圳市烜芯微科技有限公司

ShenZhen XuanXinWei Technoligy Co.,Ltd
二極管、三極管、MOS管、橋堆

全國服務熱線:18923864027

  • 熱門關鍵詞:
  • 橋堆
  • 場效應管
  • 三極管
  • 二極管
  • 場效應管(MOS管)的電路基礎知識
    • 發布時間:2021-09-06 20:23:52
    • 來源:
    • 閱讀次數:
    場效應管(MOS管)的電路基礎知識
    1.什么是N型、P型半導體中多子和少子?
    2.PN結。
    場效應管分為:
    1.絕緣柵型場效應管(IGFET),又稱MOS管;
    2.結型場效應管j(JFET)。
    當了解完MOS管,結型場效應管自然就理解了。
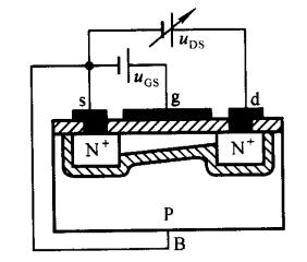
    一、原理說明(以N溝道增強型MOS管為對象)
    先看圖:
    場效應管
    1.為什么叫N溝道?
    因為源極和漏極是兩個N型半導體,我們的目的是要使源極和漏極兩個導通,相當于在漏源之間挖一條溝渠,這樣兩邊就連通了。
    但問題來了。在無任何外電場作用的情況下,漏源之間是兩個背向的PN結,無法形成溝道,無法連通。
    2.怎么形成N溝道?
    在柵-源(g-s)間加上正電壓,在柵極金屬下側聚集正電荷,排斥二氧化硅絕緣層下側P型半導體具有正電特性的空穴,形成PN結。
    場效應管
    現在加大柵-源(g-s)間的電壓,PN結區域變寬,同時吸引PN結下方的電子到PN結與二氧化硅之間,這樣溝道就形成了。
    場效應管
    3.溝挖好了,現在要"放水"了
    在漏-源(d-s)間加上正向電壓,電子在電場下流動,形成電流。
    場效應管
    4.為什么叫增強型?
    因為要形成溝道,柵-源(g-s)間就要加上正電壓,在一定范圍內,加的正電壓越大,溝道越寬,導通的能力就越強。對應的,耗盡型MOS管就明白了。
    注意:在柵-源(g-s)間電壓目的不是為了使溝道下方的PN結導通,這里是為了形成溝道,與三極管在PN結上加正向電壓目的不一樣。
    〈烜芯微/XXW〉專業制造二極管,三極管,MOS管,橋堆等,20年,工廠直銷省20%,上萬家電路電器生產企業選用,專業的工程師幫您穩定好每一批產品,如果您有遇到什么需要幫助解決的,可以直接聯系下方的聯系號碼或加QQ/微信,由我們的銷售經理給您精準的報價以及產品介紹
     
    電話:18923864027(同微信)
    QQ:709211280

    相關閱讀