最好看的2018免费观看在线-最好看的2019中文电影-最好免费观看高清视频免费-最近免费中文字幕大全免费版视频

您好!歡迎光臨烜芯微科技品牌官網!

深圳市烜芯微科技有限公司

ShenZhen XuanXinWei Technoligy Co.,Ltd
二極管、三極管、MOS管、橋堆

全國服務熱線:18923864027

  • 熱門關鍵詞:
  • 橋堆
  • 場效應管
  • 三極管
  • 二極管
  • 三極管估算法介紹
    • 發布時間:2021-08-03 18:44:32
    • 來源:
    • 閱讀次數:
    三極管估算法介紹
    一.戴維寧等效電路
    各種等效電路暫不贅述,舉例筆者在工作中常用的
    三極管估算法
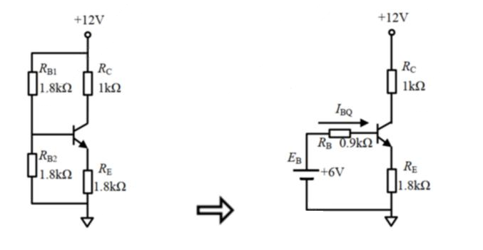
    如上圖所示,此種在工作最為常見,當評審別人電路時候來算他們三極管導通狀態,熟悉經常口算就可以,判斷三極管何種狀態。
    舉例:三極管基極獨立供電,利用三極管估算法算得
    三極管估算法
    第一步,完成戴維寧等效果后,利用基爾霍夫電壓定律,列出方程:
    EB=IBQRB+UBEQ+(1+β)IBQRE結得IBQ=(EB-UBEQ)/(RB+(1+β)RE)=29.01UA
    第二步,根據放大狀態下,晶體管基本電流關系IEQ=(1+β)IBQ=101*29.01=2.901MA
    第三步,據歐姆定律,有UEQ=IEQ*RE=2.930*1.8KR=5.274V UCQ=EC-ICO*RC=12-2.901MA*1KR=9.099V
    第四步,UCEQ=UCQ-UEQ=9.099-5.274=3.825V,可判斷晶體管屬于放大狀態。
    思路:計算三極管靜態其實就是通過基極電流,算出集電極和射極的電流,來算出電壓,集電極和射極的電勢差。
    電話:18923864027(同微信)
    QQ:709211280
    烜芯微專業制造二極管,三極管,MOS管,橋堆等20年,工廠直銷省20%,上萬家電路電器生產企業選用,專業的工程師幫您穩定好每一批產品,如果您有遇到什么需要幫助解決的,可以點擊右邊的工程師,或者點擊銷售經理給您精準的報價以及產品介紹
    相關閱讀