最好看的2018免费观看在线-最好看的2019中文电影-最好免费观看高清视频免费-最近免费中文字幕大全免费版视频

您好!歡迎光臨烜芯微科技品牌官網!

深圳市烜芯微科技有限公司

ShenZhen XuanXinWei Technoligy Co.,Ltd
二極管、三極管、MOS管、橋堆

全國服務熱線:18923864027

  • 熱門關鍵詞:
  • 橋堆
  • 場效應管
  • 三極管
  • 二極管
  • 肖特基二極管封裝,肖特基二極管作用介紹
    • 發布時間:2021-07-24 15:46:45
    • 來源:
    • 閱讀次數:
    肖特基二極管封裝,肖特基二極管作用介紹
    肖特基二極管是以其發明人肖特基博士(Schottky)命名的,SBD是肖特基勢壘二極管(SchottkyBarrierDiode,縮寫成SBD)的簡稱。SBD不是利用P型半導體與N型半導體接觸形成PN結原理制作的,而是利用金屬與半導體接觸形成的金屬-半導體結原理制作的。因此,SBD也稱為金屬-半導體(接觸)二極管或表面勢壘二極管,它是一種熱載流子二極管。
    肖特基二極管
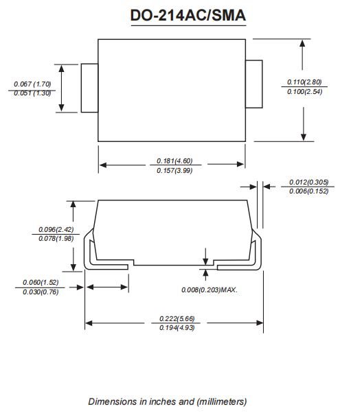
    上圖是肖特基二極管 SS14 SMA(DO-214AC) 40V,1A,VF=0.55V 1A,肖特基二極管是近年來問世的低功耗、大電流、超高速半導體器件。其反向恢復時間極短(可以小到幾納秒),正向導通壓降僅0.4V左右,而整流電流卻可達到幾千毫安。這些優良特性是快恢復二極管所無法比擬的。中、小功率肖特基整流二極管大多采用封裝形式。
    肖特基二極管封裝
    肖特基二極管
    肖特基二極管分為有引線和表面安裝(貼片式)兩種封裝形式,采用有引線式封裝的肖特基二極管通常作為高頻大電流整流二極管、續流二極管或保護二極管使用。它有單管式和對管(雙二極管)式兩種封裝形式。
    肖特基對管又有共陰(兩管的負極相連)、共陽(兩管的正極相連)和串聯(一只二極管的正極接另一只二極管的負極)三種管腳引出方式。
    采用表面封裝的肖特基二極管有單管型、雙管型和三管型等多種封裝形式,有A~19種管腳引出方式。
    肖特基二極管作用
    肖特基二極管
    肖特基(Schottky)二極管,又稱肖特基勢壘二極管(簡稱 SBD),它屬一種低功耗、超高速半導體器件。最顯著的特點為反向恢復時間極短(可以小到幾納秒),正向導通壓降僅0.4V左右。其多用作高頻、低壓、大電流整流二極管、續流二極管、保護二極管,也有用在微波通信等電路中作整流二極管、小信號檢波二極管使用。在通信電源、變頻器等中比較常見。
    一個典型的應用,是在雙極型晶體管 BJT 的開關電路里面, 通過在 BJT 上連接 Shockley 二極管來箝位,使得晶體管在導通狀態時其實處于很接近截止狀態,從而提高晶體管的開關速度。這種方法是 74LS,74ALS,74AS 等典型數字 IC 的 TTL內部電路中使用的技術。
    肖特基(Schottky)二極管的最大特點是正向壓降 VF 比較小。在同樣電流的情況下,它的正向壓降要小許多。另外它的恢復時間短。它也有一些缺點:耐壓比較低,漏電流稍大些。選用時要全面考慮。
    肖特基二極管一般用在電源次級輸出整流上面。
    作用還是整流,其優勢是正向壓降低,反向恢復時間快,所以整體損耗會比其他的二極管低很多。
    B5819W為集電極電流1A 基極電壓40V的貼片肖特基管,1N5819為參數相同的插件式肖特基管,兩個管只是封裝不同。簡單來說就是一個是貼片的 一個是插接件式的。
    SBD具有開關頻率高和正向壓降低等優點,但其反向擊穿電壓比較低,大多不高于60V,最高僅約100V,以致于限制了其應用范圍。像在開關電源(SMPS)和功率因數校正(PFC)電路中功率開關器件的續流二極管、變壓器次級用100V以上的高頻整流二極管、RCD緩沖器電路中用600V~1.2kV的高速二極管以及PFC升壓用600V二極管等,只有使用快速恢復外延二極管(FRED)和超快速恢復二極管(UFRD)。目前UFRD的反向恢復時間Trr也在20ns以上,根本不能滿足像空間站等領域用1MHz~3MHz的SMPS需要。即使是硬開關為100kHz的SMPS,由于UFRD的導通損耗和開關損耗均較大,殼溫很高,需用較大的散熱器,從而使SMPS體積和重量增加,不符合小型化和輕薄化的發展趨勢。因此,發展100V以上的高壓SBD,一直是人們研究的課題和關注的熱點。
    SBD的主要優點包括兩個方面:
    1)由于肖特基勢壘高度低于PN結勢壘高度,故其正向導通門限電壓和正向壓降都比PN結二極管低(約低0.2V)。
    2)由于SBD是一種多數載流子導電器件,不存在少數載流子壽命和反向恢復問題。SBD的反向恢復時間只是肖特基勢壘電容的充、放電時間,完全不同于PN結二極管的反向恢復時間。由于SBD的反向恢復電荷非常少,故開關速度非常快,開關損耗也特別小,尤其適合于高頻應用。
    但是,由于SBD的反向勢壘較薄,并且在其表面極易發生擊穿,所以反向擊穿電壓比較低。由于SBD比PN結二極管更容易受熱擊穿,反向漏電流比PN結二極管大。
    電話:18923864027(同微信)
    QQ:709211280
    烜芯微專業制造二極管,三極管,MOS管,橋堆等20年,工廠直銷省20%,上萬家電路電器生產企業選用,專業的工程師幫您穩定好每一批產品,如果您有遇到什么需要幫助解決的,可以點擊右邊的工程師,或者點擊銷售經理給您精準的報價以及產品介紹

    相關閱讀