最好看的2018免费观看在线-最好看的2019中文电影-最好免费观看高清视频免费-最近免费中文字幕大全免费版视频

您好!歡迎光臨烜芯微科技品牌官網!

深圳市烜芯微科技有限公司

ShenZhen XuanXinWei Technoligy Co.,Ltd
二極管、三極管、MOS管、橋堆

全國服務熱線:18923864027

  • 熱門關鍵詞:
  • 橋堆
  • 場效應管
  • 三極管
  • 二極管
  • 分壓式自偏壓電路圖解
    • 發布時間:2021-07-06 20:13:14
    • 來源:
    • 閱讀次數:
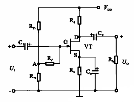
    分壓式自偏壓電路圖解
    分壓式自偏壓電路
    上圖所示為分壓式自偏壓電路又稱柵極接正電位偏置電路,它是在自給偏壓共源放大電路的基礎上,加上分壓電阻器R和R蛇構成的。圖中,電源UDD、輸入耦合電容器cl、輸出耦合電容器C2、漏極電阻器軋、源極電阻器Rs、源極旁路電容器C;的作用均與自給偏壓共源放大電路相同。Rti和R佇是分壓偏置電阻器,Rn與R岔的接點通過大電阻Rf與柵極相連。由于柵極絕緣無電流,所以Rn與R也的分壓點A與柵極同電位。由于該電路既有“分壓偏置”又有“自給偏置”,所以又稱為組臺偏置電路。這種偏置電路即可甩于耗盡型場效應管,也可用于增強型場效應管。
    烜芯微專業制造二極管,三極管,MOS管,橋堆等20年,工廠直銷省20%,上萬家電路電器生產企業選用,專業的工程師幫您穩定好每一批產品,如果您有遇到什么需要幫助解決的,可以點擊右邊的工程師,或者點擊銷售經理給您精準的報價以及產品介紹
    相關閱讀