最好看的2018免费观看在线-最好看的2019中文电影-最好免费观看高清视频免费-最近免费中文字幕大全免费版视频

您好!歡迎光臨烜芯微科技品牌官網!

深圳市烜芯微科技有限公司

ShenZhen XuanXinWei Technoligy Co.,Ltd
二極管、三極管、MOS管、橋堆

全國服務熱線:18923864027

  • 熱門關鍵詞:
  • 橋堆
  • 場效應管
  • 三極管
  • 二極管
  • 開關電源中的反激式轉換器有哪些特征
    • 發布時間:2021-06-25 20:22:55
    • 來源:
    • 閱讀次數:
    開關電源中的反激式轉換器有哪些特征
    本設計事例使用稱為反激式的變壓器方式。在這里,將說明反激方式的基本電路和特征。
    反激式轉換器除了一般的PWM控制外,還有自勵型的RCC(Ringing Choke ConVerter)、RCC利用使用共振技術的準諧振型,一共有3種,常使用在100W以下的開關電源上。
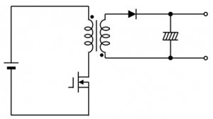
    反激式轉換器
    基本電路如圖所示,非常簡單,只有少數部件所組成。經由開關用晶體管斬波輸入電壓(DC),之后再透過開關用變壓器,將電能傳送至二次側。接著,在二次側進行整流、平滑,成為需要的DC電壓。不過,實際的電路會監控輸出,并增加控制開關晶體管的反饋電路、控制電路。
    反激式轉換器,可組成降壓和升壓,且同時支持絕緣和非絕緣,優點是確保大輸入電壓范圍,但較大的峰值電流會流過開關元件、二極管和輸出電容器,導致必須采用能支持該峰值電流的部件。
    構成絕緣電路時,使用光耦合器或三級繞組,隔離二次側,也就是來自于輸出的反饋。視控制IC而定,在無來自于輸出的反饋下保持穩定。以下為反激式轉換器的特征總結。
    反激式轉換器的特征
    1.可組成降壓、升壓
    2.可組成絕緣、非絕緣
    3.構造簡單、能以最少的部件數量組成
    4.適用于100W左右的開關電源
    5.輸入電壓范圍大
    6.和正激方式相比,必須加裝大容值的電容器
    7.輸出精度要求不高時,變壓器的匝數比決定其輸出電壓,也可利用作為非穩定輸出電
    烜芯微專業制造二極管,三極管,MOS管,橋堆等20年,工廠直銷省20%,4000家電路電器生產企業選用,專業的工程師幫您穩定好每一批產品,如果您有遇到什么需要幫助解決的,可以點擊右邊的工程師,或者點擊銷售經理給您精準的報價以及產品介紹
    相關閱讀