最好看的2018免费观看在线-最好看的2019中文电影-最好免费观看高清视频免费-最近免费中文字幕大全免费版视频

您好!歡迎光臨烜芯微科技品牌官網!

深圳市烜芯微科技有限公司

ShenZhen XuanXinWei Technoligy Co.,Ltd
二極管、三極管、MOS管、橋堆

全國服務熱線:18923864027

  • 熱門關鍵詞:
  • 橋堆
  • 場效應管
  • 三極管
  • 二極管
  • 場效應管功放電路圖解析
    • 發布時間:2021-04-30 18:59:43
    • 來源:
    • 閱讀次數:
    場效應管功放電路圖解析
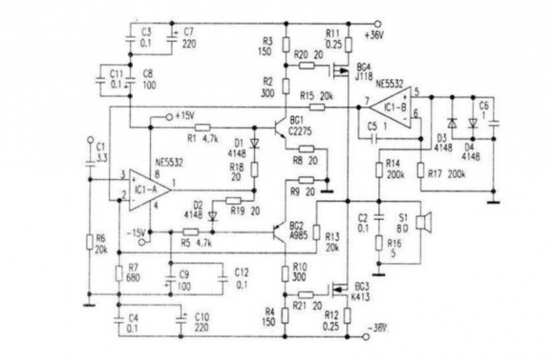
    MOS管功率放大器電路圖是由電路穩壓電源模塊、帶阻濾波模塊、電壓放大模塊、功率放大模塊、AD轉換模塊以及液晶顯示模塊組成。
    1.場效應管功放電路圖
    場效應管功放電路圖
    2.場效應管功放電路原理
    IC1-A起電壓放大作用,限于供電電壓的緣故,該級信號輸出幅度不超過±15V,如果后級采用射隨器輸出,則輸出功率偏小。本電路既要發揮運放設計簡潔、性能優良的特點,又要滿足合適的輸出功率。所以本電路由兩組電源(±15V、±36V)供電,穩壓±15V供給運放使用,±36V供給后級使用。BG1、BG2為共射極電路,R8、R9為負反饋電阻,R1、R5、D1、D2、R18、R19為BG1、BG2提供穩定的直流偏置,以保證其處于導通狀態,本級除電壓放大作用之外,更主要是實現了不同電源供電電路的信號耦合。
    場效應管是電壓放大器件,雖然對驅動電流沒有特別要求,但是要考慮場效應管輸入電容對高頻特性的影響。所以,驅動信號的內阻應足夠小。BG3、BG4的驅動信號分別取自BG2、BG1的負載R4、R3。BG1、BG2的集電極負載電阻被分為兩段,這是由于場效應管的柵源驅動電壓不得大于20伏。BG3、BG4為MOSFET對管組成的漏極輸出級。R11、R12為源極負反饋電阻。ICl-B的作用是穩定末級中點的宜流電壓,以實現功放直流化。R13、R7是環路負反饋電阻。R20、R21.為防止MOS管高頻自激而設;C2、R16的作用是防止電路自激。
    3.場效應管功放電路作用
    場效應管放大器(FET amplifier)是一種使用場效應管(field-effect transistor (FET))的放大器。在放大器應用中,場效應管的主要優點是它能提供非常高的輸入阻抗以及低輸出阻抗。
    烜芯微專業制造二極管,三極管,MOS管,橋堆等20年,工廠直銷省20%,4000家電路電器生產企業選用,專業的工程師幫您穩定好每一批產品,如果您有遇到什么需要幫助解決的,可以點擊右邊的工程師,或者點擊銷售經理給您精準的報價以及產品介紹
    相關閱讀