最好看的2018免费观看在线-最好看的2019中文电影-最好免费观看高清视频免费-最近免费中文字幕大全免费版视频

您好!歡迎光臨烜芯微科技品牌官網!

深圳市烜芯微科技有限公司

ShenZhen XuanXinWei Technoligy Co.,Ltd
二極管、三極管、MOS管、橋堆

全國服務熱線:18923864027

  • 熱門關鍵詞:
  • 橋堆
  • 場效應管
  • 三極管
  • 二極管
  • 整流橋電路圖分析方法介紹
    • 發布時間:2021-04-29 15:52:35
    • 來源:
    • 閱讀次數:
    整流橋電路圖分析方法介紹
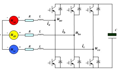
    整流橋電路圖
    三相整流橋的作用
    將電源輸入交流轉換直流的環節,是任何用電器正常工作都必不可少的一環,這個過程就叫作--整流。那么整流的方式有很多,例如半波整流、全波整流與橋式整流等等,其中以橋式整流電路作為最典型與常用的代表。橋式整流電路就是:將分立整流二極管芯片采用橋式結構連接起來,組合成一個集成電路來使用。它的作用是:將極**變的交流
    電轉換成極性不變的直流電。接下來就為大家介紹下橋式整流電路的作用與工作原理,優勢與特點。
     三相整流橋電路圖的工作原理及電路圖
    三相整流橋是將連接好的橋式整流電路的6個整流二極管(和一個電容器)封裝在一起,組成一個三相橋式全波整流。
    三相全波整流不需要輸入電源的零線(中性線)。橋堆一般用在全波整流電路中。全橋是由6只整流二極管按橋式全波整流電路的形式連接并封裝為一體構成的,右圖為其外形。
    全橋的正向電流有5A、10A、20A、35A、50A等多種規格,耐壓值(最高反向電壓)有50V、100V、200V、300V、400V、500V、600V、700V、800V900V、1000V、1100V、1200V、1300V、1400V、1500V、1600V、等多種規格。
    在輸出波形圖中,N相平直虛線是整流濾波后的平均輸出電壓值。虛線以下和各正弦波的交點以上(細虛線以上)的小脈動波是整流后未經濾波的輸出電壓波形。
    整流橋電路圖
    三相整流橋一共有5個接線端,輸入端有3個,輸出端有2個,3個輸入端要分別接三相火線,沒有順勛。2個輸出端要分正負。無電容的輸出電壓=輸入線電壓的1.35倍,有電容的輸出電壓=輸入線電壓的1.414倍。
    烜芯微專業制造二極管,三極管,MOS管,橋堆等20年,工廠直銷省20%,4000家電路電器生產企業選用,專業的工程師幫您穩定好每一批產品,如果您有遇到什么需要幫助解決的,可以點擊右邊的工程師,或者點擊銷售經理給您精準的報價以及產品介紹
    相關閱讀