最好看的2018免费观看在线-最好看的2019中文电影-最好免费观看高清视频免费-最近免费中文字幕大全免费版视频

您好!歡迎光臨烜芯微科技品牌官網!

深圳市烜芯微科技有限公司

ShenZhen XuanXinWei Technoligy Co.,Ltd
二極管、三極管、MOS管、橋堆

全國服務熱線:18923864027

  • 熱門關鍵詞:
  • 橋堆
  • 場效應管
  • 三極管
  • 二極管
  • 共發射極放大電路原理圖介紹
    • 發布時間:2021-04-17 15:35:25
    • 來源:
    • 閱讀次數:
    共發射極放大電路原理圖介紹
    射極電路的組成
    共發射極放大電路
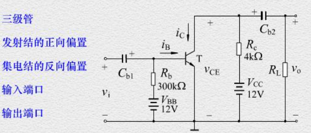
    根據放大電路的組成原則組成一個簡單的共發射極放大電路如圖所示。電路中 BJT、電阻、電容等元件的作用如下:
    圖中 T 是 NPN 型三極管,它是整個電路的核心,起放大作用。
    直流電源 VCC 為三極管集電結提供反向偏置電壓,保證集電結反偏。
    Rc 是集電極負載電阻,其作用是將三極管集電極電流的變化轉換成電壓的變化,送到輸出端。若沒有 Rc,則輸出端的電壓始終等于電源電壓 VCC,就不會隨輸入信號變化了。
    直流電源 VBB 通過基極電阻 Rb 為三極管發射結提供正向偏置電壓,并為基極提供所需的電流 IB(常稱為偏流)。
    電容 Cb1 和 Cb2 稱為隔直電容(或耦合電容),它們的作用是“隔離直流,傳送交流”。即對直流來說,電容的容抗為無窮大,相當于開路。但對交流信號而言,電容呈現的容抗很小,可近似認為短路。vi 為待放大的微弱電信號。
    共發射極放大電路原理圖
    共發射極放大電路
    共射極基本放大電路的電壓放大作用是利用了 BJT 的電流控制作用,并依靠 Rc 將放大后的電流變化轉為電壓變化來實現的。
    放大電路的兩種工作狀態
    1.靜態
    在沒有加輸入信號(vi=0)時,放大電路的工作狀態稱為靜態。由于靜態時電路中各處的電壓、電流都是直流量,所以靜態又稱為直流工作狀態。
    放大電路處于靜態時對其直流量的分析、計算應的依據是直流通路。
    2.動態
    在電路的輸入端加上輸入信號后,電路的工作狀態稱為動態。動態時 BJT 各電極的電流和各極間的電壓都在靜態值的基礎上疊加了隨輸入信號變化的交流量。動態時,電流、電壓的瞬時總量中有直流量,還有交流量。
    放大電路處于動態時對其交流量的分析、計算應的依據是交流通路。
    烜芯微專業制造二極管,三極管,MOS管,橋堆等20年,工廠直銷省20%,4000家電路電器生產企業選用,專業的工程師幫您穩定好每一批產品,如果您有遇到什么需要幫助解決的,可以點擊右邊的工程師,或者點擊銷售經理給您精準的報價以及產品介紹
    相關閱讀