最好看的2018免费观看在线-最好看的2019中文电影-最好免费观看高清视频免费-最近免费中文字幕大全免费版视频

您好!歡迎光臨烜芯微科技品牌官網!

深圳市烜芯微科技有限公司

ShenZhen XuanXinWei Technoligy Co.,Ltd
二極管、三極管、MOS管、橋堆

全國服務熱線:18923864027

  • 熱門關鍵詞:
  • 橋堆
  • 場效應管
  • 三極管
  • 二極管
  • Boost升壓電路原理介紹
    • 發布時間:2021-04-15 14:33:23
    • 來源:
    • 閱讀次數:
    Boost升壓電路原理介紹
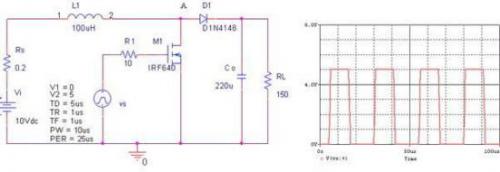
    通常,開關 Q1 導通電感儲能,電容 C 供電,在開關 M1 關閉后,產生左負右正電動勢使二極管導通并供電。
    Boost 變換一般也叫升壓變換,電感 L 儲能,通過 M1 的導通與關斷,實現升壓目的。
    Boost升壓電路原理
    boost 升壓電路
    AA 電壓低,反激升壓電路制約功率和效率的瓶頸在開關管,整流管,及其他損耗(含電感上).
    1. 電感不能用磁體太小的(無法存應有的能量),線徑太細的(脈沖電流大,會有線損大).
    2 整流管大都用肖特基,大家一樣,無特色,在輸出 3.3V 時,整流損耗約百分之十 .
    3 開關管,關鍵在這兒了,放大量要足夠進飽和,導通壓降一定要小,是成功的關鍵 . 總共才一伏,管子上耗多了就沒電出來了,因此管壓降應選最大電流時不超過 0.2--0.3V,單只做不到就多只并聯 .......
    4 最大電流有多大呢?我們簡單點就算 1A 吧,其實是不止的 . 由于效率低會超過 1.5A,這是平均值,半周供電時為 3A,實際電流波形為 0 至 6A. 所以咱建議要用兩只號稱 5A 實際 3A 的管子并起來才能勉強對付 .
    5 現成的芯片都沒有集成上述那么大電流的管子,所以咱建議用土電路就夠對付洋電路了 .
    開關管導通時,電源經由電感 - 開關管形成回路,電流在電感中轉化為磁能貯存;開關管關斷時,電感中的磁能轉化為電能在電感端左負右正,此電壓疊加在電源正端,經由二極管 - 負載形成回路,完成升壓功能。既然如此,提高轉換效率就要從三個方面著手:
    1. 盡可能降低開關管導通時回路的阻抗,使電能盡可能多的轉化為磁能;
    2. 盡可能降低負載回路的阻抗,使磁能盡可能多的轉化為電能,同時回路的損耗最低;
    3. 要盡可能降低能耗,因為對于電路的轉換是沒有意義的,不能供能。
    烜芯微專業制造二極管,三極管,MOS管,橋堆等20年,工廠直銷省20%,4000家電路電器生產企業選用,專業的工程師幫您穩定好每一批產品,如果您有遇到什么需要幫助解決的,可以點擊右邊的工程師,或者點擊銷售經理給您精準的報價以及產品介紹
    相關閱讀