最好看的2018免费观看在线-最好看的2019中文电影-最好免费观看高清视频免费-最近免费中文字幕大全免费版视频

您好!歡迎光臨烜芯微科技品牌官網!

深圳市烜芯微科技有限公司

ShenZhen XuanXinWei Technoligy Co.,Ltd
二極管、三極管、MOS管、橋堆

全國服務熱線:18923864027

  • 熱門關鍵詞:
  • 橋堆
  • 場效應管
  • 三極管
  • 二極管
  • 開關電源拓撲結構知識分享
    • 發布時間:2021-04-09 13:28:25
    • 來源:
    • 閱讀次數:
    開關電源拓撲結構知識分享
    1、基本的脈沖寬度調制波形
    這些拓撲結構都與開關式電路有關。
    基本的脈沖寬度調制波形定義如下:
    開關電源拓撲結構
    2、Buck降壓
    開關電源拓撲結構
    把輸入降至一個較低的電壓。
    可能是最簡單的電路。
    電感/電容濾波器濾平開關后的方波。
    輸出總是小于或等于輸入。
    輸入電流不連續(斬波)。
    輸出電流平滑。
    3、Boost升壓
    開關電源拓撲結構
    把輸入升至一個較高的電壓。
    與降壓一樣,但重新安排了電感、開關和二極管。
    輸出總是比大于或等于輸入(忽略二極管的正向壓降)。
    輸入電流平滑。
    輸出電流不連續(斬波)。
    4、Buck-Boost降壓-升壓
    開關電源拓撲結構
    電感、開關和二極管的另一種安排方法。
    結合了降壓和升壓電路的缺點。
    輸入電流不連續(斬波)。
    輸出電流也不連續(斬波)。
    輸出總是與輸入反向(注意電容的極性),但是幅度可以小于或大于輸入。
    “反激”變換器實際是降壓-升壓電路隔離(變壓器耦合)形式。
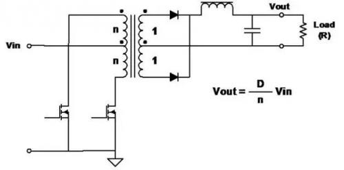
    5、Flyback反激
    開關電源拓撲結構
    如降壓-升壓電路一樣工作,但是電感有兩個繞組,而且同時作為變壓器和電感。
    輸出可以為正或為負,由線圈和二極管的極性決定。
    輸出電壓可以大于或小于輸入電壓,由變壓器的匝數比決定。
    這是隔離拓撲結構中最簡單的
    增加次級繞組和電路可以得到多個輸出。
    6、Forward正激
    開關電源拓撲結構
    降壓電路的變壓器耦合形式。
    不連續的輸入電流,平滑的輸出電流。
    因為采用變壓器,輸出可以大于或小于輸入,可以是任何極性。
    增加次級繞組和電路可以獲得多個輸出。
    在每個開關周期中必須對變壓器磁芯去磁。常用的做法是增加一個與初級繞組匝數相同的繞組。
    在開關接通階段存儲在初級電感中的能量,在開關斷開階段通過另外的繞組和二極管釋放。
    7、Two-TransistorForward雙晶體管正激
    開關電源拓撲結構
    兩個開關同時工作。
    開關斷開時,存儲在變壓器中的能量使初級的極性反向,使二極管導通。
    主要優點:
    每個開關上的電壓永遠不會超過輸入電壓。
    無需對繞組磁道復位。
    8、Push-Pull推挽
    開關電源拓撲結構
    開關(FET)的驅動不同相,進行脈沖寬度調制(PWM)以調節輸出電壓。
    良好的變壓器磁芯利用率---在兩個半周期中都傳輸功率。
    全波拓撲結構,所以輸出紋波頻率是變壓器頻率的兩倍。
    施加在FET上的電壓是輸入電壓的兩倍。
    9、Half-Bridge半橋
    開關電源拓撲結構
    較高功率變換器極為常用的拓撲結構。
    開關(FET)的驅動不同相,進行脈沖寬度調制(PWM)以調節輸出電壓。
    良好的變壓器磁芯利用率---在兩個半周期中都傳輸功率。而且初級繞組的利用率優于推挽電路。
    全波拓撲結構,所以輸出紋波頻率是變壓器頻率的兩倍。
    施加在FET上的電壓與輸入電壓相等。
    10、Full-Bridge全橋
    開關電源拓撲結構
    較高功率變換器最為常用的拓撲結構。
    開關(FET)以對角對的形式驅動,進行脈沖寬度調制(PWM)以調節輸出電壓。
    良好的變壓器磁芯利用率---在兩個半周期中都傳輸功率。
    全波拓撲結構,所以輸出紋波頻率是變壓器頻率的兩倍。
    施加在FETs上的電壓與輸入電壓相等。
    在給定的功率下,初級電流是半橋的一半。
    11、SEPIC單端初級電感變換器
    開關電源拓撲結構
    輸出電壓可以大于或小于輸入電壓。
    與升壓電路一樣,輸入電流平滑,但是輸出電流不連續。
    能量通過電容從輸入傳輸至輸出。
    需要兩個電感。
    12、C’uk
    開關電源拓撲結構
    輸出反相
    輸出電壓的幅度可以大于或小于輸入。
    輸入電流和輸出電流都是平滑的。
    能量通過電容從輸入傳輸至輸出。
    需要兩個電感。
    電感可以耦合獲得零紋波電感電流。
    13、電路工作的細節
    下面講解幾種拓撲結構的工作細節
    降壓調整器:
    連續導電
    臨界導電
    不連續導電
    升壓調整器(連續導電)
    變壓器工作
    反激變壓器
    正激變壓器
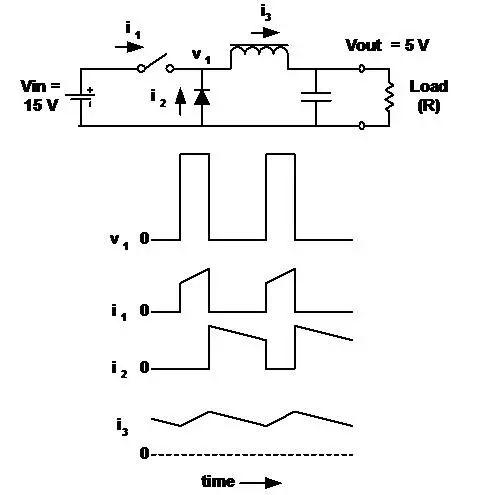
    14、Buck-降壓調整器-連續導電
    開關電源拓撲結構
    電感電流連續。
    Vout是其輸入電壓(V1)的均值。
    輸出電壓為輸入電壓乘以開關的負荷比(D)。
    接通時,電感電流從電池流出。
    開關斷開時電流流過二極管。
    忽略開關和電感中的損耗,D與負載電流無關。
    降壓調整器和其派生電路的特征是:
    輸入電流不連續(斬波),輸出電流連續(平滑)。
    15、Buck-降壓調整器-臨界導電
    開關電源拓撲結構
    電感電流仍然是連續的,只是當開關再次接通時“達到”零。
    這被稱為“臨界導電”。
    輸出電壓仍等于輸入電壓乘以D。
    16、Buck-降壓調整器-不連續導電
    開關電源拓撲結構
    在這種情況下,電感中的電流在每個周期的一段時間中為零。
    輸出電壓仍然(始終)是v1的平均值。
    輸出電壓不是輸入電壓乘以開關的負荷比(D)。
    當負載電流低于臨界值時,D隨著負載電流而變化(而Vout保持不變)。
    17、Boost升壓調整器
    開關電源拓撲結構
    輸出電壓始終大于(或等于)輸入電壓。
    輸入電流連續,輸出電流不連續(與降壓調整器相反)。
    輸出電壓與負荷比(D)之間的關系不如在降壓調整器中那么簡單。在連續導電的情況下:
    開關電源拓撲結構
    在本例中,Vin=5,
    Vout=15,andD=2/3.
    Vout=15,D=2/3.
    18、變壓器工作(包括初級電感的作用)
    開關電源拓撲結構
    變壓器看作理想變壓器,它的初級(磁化)電感與初級并聯。
    19、反激變壓器
    開關電源拓撲結構
    此處初級電感很低,用于確定峰值電流和存儲的能量。當初級開關斷開時,能量傳送到次級。
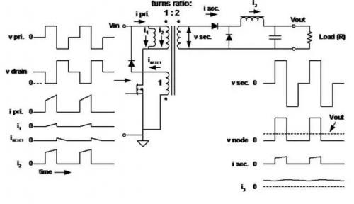
    20、Forward正激變換變壓器
    開關電源拓撲結構
    初級電感很高,因為無需存儲能量。
    磁化電流(i1)流入“磁化電感”,使磁芯在初級開關斷開后去磁(電壓反向)。
    總結
    此處回顧了目前開關式電源轉換中最常見的電路拓撲結構。
    還有許多拓撲結構,但大多是此處所述拓撲的組合或變形。
    每種拓撲結構包含獨特的設計權衡:
    施加在開關上的電壓
    斬波和平滑輸入輸出電流
    繞組的利用率
    選擇最佳的拓撲結構需要研究:
    輸入和輸出電壓范圍
    電流范圍
    成本和性能、大小和重量之比
    烜芯微專業制造二極管,三極管,MOS管,橋堆等20年,工廠直銷省20%,4000家電路電器生產企業選用,專業的工程師幫您穩定好每一批產品,如果您有遇到什么需要幫助解決的,可以點擊右邊的工程師,或者點擊銷售經理給您精準的報價以及產品介紹
    相關閱讀