車載逆變器指標:
輸入電壓:DC10V~14.5V;輸出電壓:AC200V~220V±10%;輸出頻率:50Hz±5%;輸出功率:70W~150W;轉換效率:大于85%;逆變工作頻率:30kHz~50kHz。
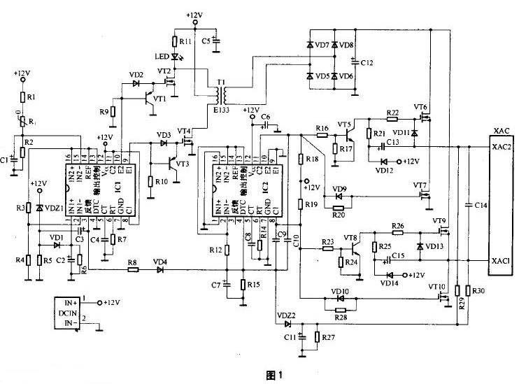
目前市場上銷售量最大、最常見的車載逆變器的輸出功率為70W-150W,逆變器電路中主要采用TL494或KA7500芯片為主的脈寬調制電路。一款最常見的車載逆變器電路原理圖見圖1。


車載逆變器電路工作原理
車載逆變器的整個電路大體上可分為兩大部分,每部分各采用一只TL494或KA7500芯片組成控制電路,其中第一部分電路的作用是將汽車電瓶等提供的12V直流電,通過高頻PWM(脈寬調制)開關電源技術轉換成30kHz-50kHz、220V左右的交流電;第二部分電路的作用則是利用橋式整流、濾波、脈寬調制及開關功率輸出等技術,將30kHz~50kHz、220V左右的交流電轉換成50Hz、220V的交流電。
圖1電路中,由芯片IC1及其外圍電路、三極管VT1、VT3、MOS功率管VT2、VT4以及變壓器T1組成12V直流變換為220V/50kHz交流的逆變電路。由芯片IC2及其外圍電路、三極管VT5、VT8、MOS功率管VT6、VT7、VT9、VT10以及220V/50kHz整流、濾波電路VD5-VD8、C12等共同組成220V/50kHz高頻交流電變換為220V/50Hz工頻交流電的轉換電路,最后通過XAC插座輸出220V/50Hz交流電供各種便攜式電器使用。
圖1中IC1、IC2采用了TL494CN(或KA7500C)芯片,構成車載逆變器的核心控制電路。TL494CN是專用的雙端式開關電源控制芯片,其尾綴字母CN表示芯片的封裝外形為雙列直插式塑封結構,工作溫度范圍為0℃-70℃,極限工作電源電壓為7V~40V,最高工作頻率為300kHz。
TL494芯片內置有5V基準源,穩壓精度為5V±5%,負載能力為10mA,并通過其14腳進行輸出供外部電路使用。TL494(點擊查看:TL494中文資料)芯片還內置2只NPN功率輸出管,可提供500mA的驅動能力。TL494芯片的內部電路如圖2所示。


圖1電路中IC1的15腳外圍電路的R1、C1組成上電軟啟動電路。上電時電容C1兩端的電壓由0V逐步升高,只有當C1兩端電壓達到5V以上時,才允許IC1內部的脈寬調制電路開始工作。當電源斷電后,C1通過電阻R2放電,保證下次上電時的軟啟動電路正常工作。
IC1的15腳外圍電路的R1、Rt、R2組成過熱保護電路,Rt為正溫度系數熱敏電阻,常溫阻值可在150Ω~300Ω范圍內任選,適當選大些可提高過熱保護電路啟動的靈敏度。
熱敏電阻Rt安裝時要緊貼于MOS功率開關管VT2或VT4的金屬散熱片上,這樣才能保證電路的過熱保護功能有效。
IC1的15腳的對地電壓值U是一個比較重要的參數,圖1電路中U≈Vcc×R2÷(R1+Rt+R2)V,常溫下的計算值為U≈6.2V。結合圖1、圖2可知,正常工作情況下要求IC1的15腳電壓應略高于16腳電壓(與芯片14腳相連為5V),其常溫下6.2V的電壓值大小正好滿足要求,并略留有一定的余量。
當電路工作異常,MOS功率管VT2或VT4的溫升大幅提高,熱敏電阻Rt的阻值超過約4kΩ時,IC1內部比較器1的輸出將由低電平翻轉為高電平,IC1的3腳也隨即翻轉為高電平狀態,致使芯片內部的PWM比較器、“或”門以及“或非”門的輸出均發生翻轉,輸出級三極管VT1和三極管VT2均轉為截止狀態。當IC1內的兩只功率輸出管截止時,圖1電路中的VT1、VT3將因基極為低電平而飽和導通,VT1、VT3導通后,功率管VT2和VT4將因柵極無正偏壓而處于截止狀態,逆變電源電路停止工作。
IC1的1腳外圍電路的VDZ1、R5、VD1、C2、R6構成12V輸入電源過壓保護電路,穩壓管VDZ1的穩壓值決定了保護電路的啟動門限電壓值,VD1、C2、R6還組成保護狀態維持電路,只要發生瞬間的輸入電源過壓現象,保護電路就會啟動并維持一段時間,以確保后級功率輸出管的安全??紤]到汽車行駛過程中電瓶電壓的正常變化幅度大小,通常將穩壓管VDZ1的穩壓值選為15V或16V較為合適。
IC1的3腳外圍電路的C3、R5是構成上電軟啟動時間維持以及電路保護狀態維持的關鍵性電路,實際上不管是電路軟啟動的控制還是保護電路的啟動控制,其最終結果均反映在IC1的3腳電平狀態上。電路上電或保護電路啟動時,IC1的3腳為高電平。當IC1的3腳為高電平時,將對電容C3充電。這導致保護電路啟動的誘因消失后,C3通過R5放電,因放電所需時間較長,使得電路的保護狀態仍得以維持一段時間。
當IC1的3腳為高電平時,還將沿R8、VD4對電容C7進行充電,同時將電容C7兩端的電壓提供給IC2的4腳,使IC2的4腳保持為高電平狀態。從圖2的芯片內部電路可知,當4腳為高電平時,將抬高芯片內死區時間比較器同相輸入端的電位,使該比較器輸出保持為恒定的高電平,經“或”門、“或非”門后使內置的三極管VT1和三極管VT2均截止。圖1電路中的VT5和VT8處于飽和導通狀態,其后級的MOS管VT6和VT9將因柵極無正偏壓而都處于截止狀態,逆變電源電路停止工作。
IC1的5腳外接電容C4(472)和6腳外接電阻R7(4k3)為脈寬調制器的定時元件,所決定的脈寬調制頻率為fosc=1.1÷(0.0047×4.3)kHz≈50kHz。即電路中的三極管VT1、VT2、VT3、VT4、變壓器T1的工作頻率均為50kHz左右,因此T1應選用高頻鐵氧體磁芯變壓器,變壓器T1的作用是將12V脈沖升壓為220V的脈沖,其初級匝數為20×2,次級匝數為380。
IC2的5腳外接電容C8(104)和6腳外接電阻R14(220k)為脈寬調制器的定時元件,所決定的脈寬調制頻率為fosc=1.1÷(C8×R14)=1.1÷(0.1×220)kHz≈50Hz。
R29、R30、R27、C11、VDZ2組成XAC插座220V輸出端的過壓保護電路,當輸出電壓過高時將導致穩壓管VDZ2擊穿,使IC2的4腳對地電壓上升,芯片IC2內的保護電路動作,切斷輸出。
車載逆變器電路中的MOS管VT2、VT4有一定的功耗,必須加裝散熱片,其他器件均不需要安裝散熱片。當車載逆變器產品持續應用于功率較大的場合時,需在其內部加裝12V小風扇以幫助散熱。
2.電路中的元器件參數
電路中各元器件的參數列于附表。
烜芯微專業制造二極管,三極管,MOS管,橋堆等,20年,工廠直銷省20%,1500家電路電器生產企業選用,專業的工程師幫您穩定好每一批產品,如果您有遇到什么需要幫助解決的,可以直接聯系上方的聯系號碼或加QQ,由我們的銷售經理給您精準的報價以及產品介紹
烜芯微專業制造二極管,三極管,MOS管,橋堆等,20年,工廠直銷省20%,1500家電路電器生產企業選用,專業的工程師幫您穩定好每一批產品,如果您有遇到什么需要幫助解決的,可以直接聯系上方的聯系號碼或加QQ,由我們的銷售經理給您精準的報價以及產品介紹

