最好看的2018免费观看在线-最好看的2019中文电影-最好免费观看高清视频免费-最近免费中文字幕大全免费版视频

您好!歡迎光臨烜芯微科技品牌官網!

深圳市烜芯微科技有限公司

ShenZhen XuanXinWei Technoligy Co.,Ltd
二極管、三極管、MOS管、橋堆

全國服務熱線:18923864027

  • 熱門關鍵詞:
  • 橋堆
  • 場效應管
  • 三極管
  • 二極管
  • 場效應管對管驅動電路介紹
    • 發布時間:2021-03-19 16:53:02
    • 來源:
    • 閱讀次數:
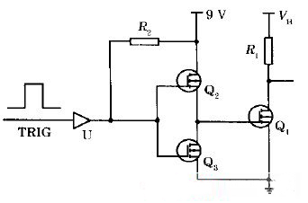
    場效應管對管驅動電路介紹
    驅動電路由緩沖器U、電阻R2 及1 對小功率場效應對管Q1 、Q2 組成。當控制信號為低電平時,同向緩沖器U 輸出低電平,使得與+ 9 V 電源相聯的P 溝道場效應管Q2 導通,與地相聯的N 溝道場效應管Q3 截止,絕緣柵場效應管Q1的柵極為高電平, N 溝道絕緣柵場效應管Q1 導通; 當控制信號為高電平時, 同向緩沖器U 輸出高電平, 使得與+ 9 V 電源相聯的P 溝道場效應管Q2 截止, 與地相聯的N 溝道場效應管Q3 導通, 絕緣柵場效應管Q1 的柵極為低電平, 絕緣柵場效應管Q1 管截止。電阻R2 是集電極開路同向緩沖器U 的上拉電阻。
    場效應管對管驅動電路
    烜芯微專業制造二極管,三極管,MOS管,橋堆等,20年,工廠直銷省20%,1500家電路電器生產企業選用,專業的工程師幫您穩定好每一批產品,如果您有遇到什么需要幫助解決的,可以直接聯系上方的聯系號碼或加QQ,由我們的銷售經理給您精準的報價以及產品介紹
    相關閱讀