最好看的2018免费观看在线-最好看的2019中文电影-最好免费观看高清视频免费-最近免费中文字幕大全免费版视频

您好!歡迎光臨烜芯微科技品牌官網!

深圳市烜芯微科技有限公司

ShenZhen XuanXinWei Technoligy Co.,Ltd
二極管、三極管、MOS管、橋堆

全國服務熱線:18923864027

  • 熱門關鍵詞:
  • 橋堆
  • 場效應管
  • 三極管
  • 二極管
  • 采用恒流二極管的恒流充電器介紹
    • 發布時間:2021-01-30 15:33:52
    • 來源:
    • 閱讀次數:
    采用恒流二極管的恒流充電器介紹
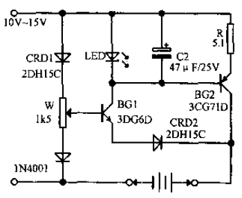
    該恒流充電器使用了一只恒流二極管,電路見下圖:
    恒流充電器
    工作原理:
    充電開始時,電池電壓較低,三極管BG1基極電位較高,致使恒流二極管2DH15C導通,BG1集電極產生一個恒定的電流IC1流過發光二極管LED,LED發光,其正向壓降約1.5V,為三極管BG2提供一個穩定的基極電位,于是BG2產生一個恒定的集電極電流IC2,此時IC1、IC2共同組成充電電流對電池充電。當電池電壓升高到預定值時,三極管BG1、恒流二極管2DH15C截止,電路停止對電池充電。
    電位器W用于調節充電器的充電截止電壓,此值不應高于電池的充電限制電壓。
    烜芯微專業制造二極管,三極管,MOS管,橋堆等20年,工廠直銷省20%,4000家電路電器生產企業選用,專業的工程師幫您穩定好每一批產品,如果您有遇到什么需要幫助解決的,可以點擊右邊的工程師,或者點擊銷售經理給您精準的報價以及產品介紹
    相關閱讀