最好看的2018免费观看在线-最好看的2019中文电影-最好免费观看高清视频免费-最近免费中文字幕大全免费版视频

您好!歡迎光臨烜芯微科技品牌官網!

深圳市烜芯微科技有限公司

ShenZhen XuanXinWei Technoligy Co.,Ltd
二極管、三極管、MOS管、橋堆

全國服務熱線:18923864027

  • 熱門關鍵詞:
  • 橋堆
  • 場效應管
  • 三極管
  • 二極管
  • 利用雙向觸發二極管的單向晶閘管調光燈電路
    • 發布時間:2021-01-27 18:43:50
    • 來源:
    • 閱讀次數:
    利用雙向觸發二極管的單向晶閘管調光燈電路
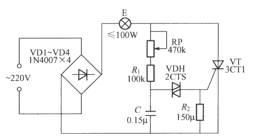
    摘要:3CT1 如圖所示是一個適合燈臺使用的單向晶閘管調光燈電路,220V交流電經VD1~VD4橋式整流成為100Hz脈動直流電,再經燈泡E加到晶閘管VT的陽極與陰極間。同時,在電源的每個半周期內,通過RP、R1向電容C充電,當C兩端充電電壓達到雙向觸發二極管VDH的折轉電壓(約26~40V)時,VDH導通,C向R2放電,在R2兩端即形成尖脈沖加到 VT的門極,使VT開通,E通電發光。VT開通后,其陽-
    3CT1
    雙向觸發二極管
    如圖所示是一個適合燈臺使用的單向晶閘管調光燈電路,220V交流電經VD1~VD4橋式整流成為100Hz脈動直流電,再經燈泡E加到晶閘管VT的陽極與陰極間。同時,在電源的每個半周期內,通過RP、R1向電容C充電,當C兩端充電電壓達到雙向觸發二極管VDH的折轉電壓(約26~40V)時,VDH導通,C向R2放電,在R2兩端即形成尖脈沖加到 VT的門極,使VT開通,E通電發光。VT開通后,其陽-陰極間電壓降為1V左右,當交流電過零時,VT關斷,待下一周期,電容C又充電,重復上述過程。所以調節電位器RP可改變電容C充電時間的快慢,從而可控制燈泡E上電壓的平均值,使亮度可調。
    烜芯微專業制造二極管,三極管,MOS管,橋堆等20年,工廠直銷省20%,4000家電路電器生產企業選用,專業的工程師幫您穩定好每一批產品,如果您有遇到什么需要幫助解決的,可以點擊右邊的工程師,或者點擊銷售經理給您精準的報價以及產品介紹
    相關閱讀