最好看的2018免费观看在线-最好看的2019中文电影-最好免费观看高清视频免费-最近免费中文字幕大全免费版视频

您好!歡迎光臨烜芯微科技品牌官網!

深圳市烜芯微科技有限公司

ShenZhen XuanXinWei Technoligy Co.,Ltd
二極管、三極管、MOS管、橋堆

全國服務熱線:18923864027

  • 熱門關鍵詞:
  • 橋堆
  • 場效應管
  • 三極管
  • 二極管
  • MOS管開關電流知識-mosfet管開關電流波形問題解析
    • 發布時間:2020-09-05 17:31:48
    • 來源:
    • 閱讀次數:
    MOS管開關電流知識-mosfet管開關電流波形問題解析
    MOS管開關電路
    MOS管開關電路是利用MOS管柵極(g)控制MOS管源極(s)和漏極(d)通斷的原理構造的電路。因MOS管分為N溝道與P溝道,所以開關電路也主要分為兩種。
    P溝道MOS管開關電路
    路編輯PMOS的特性,Vgs小于一定的值就會導通,適合用于源極接VCC時的情況(高端驅動)。需要注意的是,Vgs指的是柵極G與源極S的電壓,即柵極低于電源一定電壓就導通,而非相對于地的電壓。但是因為PMOS導通內阻比較大,所以只適用低功率的情況。大功率仍然使用N溝道MOS管。
    N溝道mos管開關電路
    NMOS的特性,Vgs大于一定的值就會導通,適合用于源極接地時的情況(低端驅動),只要柵極電壓大于參數手冊中給定的Vgs就可以了,漏極D接電源,源極S接地。需要注意的是Vgs指的是柵極G與源極S的壓差,所以當NMOS作為高端驅動時候,當漏極D與源極S導通時,漏極D與源極S電勢相等,那么柵極G必須高于源極S與漏極D電壓,漏極D與源極S才能繼續導通。
    mosfet管開關電流波形問題分析
    MOS管,開關電流,MOSFET
    圖1
    這里就用MOSFET代替BJT了,所以ids = ic,Vds=Vce,Coss也就是Cds代表輸出電容。簡單來說就是當MOS管一開始導通時輸出電容Coss還保持Vds電壓,隨著Ids電流越來越大,Vds電壓終于保持不住,開始下降。直到管子完全開啟。比較詳細的開啟過程是由Miller Plateau造成的,這里借用了網上一些解釋Miller Plateau的圖,如果有不清楚的就請見諒了。
    階段1,Vgs 《 Vth,管子是關斷的,所以Ids = 0,Vds=high,ig充電Cgs。
    階段2,Vgs 》 Vth,管子開啟,Ids從0增加到iL被外部電流源電感鉗住,Coss(Cds)上電壓不能突變,保持Vds。
    階段3,進入Miller plateau,Vgs 》 Vth,管子仍然保持開啟,Coss開始discharge,Vds電壓開始下降,于此同時Cgd開始被ig充電。Vg保持不變。
    階段4,Vd下降到接近0點,ig繼續給ig充電Cgs和Cgd充電。
    階段5,Vg到達gate driver預定的電壓,管子開啟過程完成。
    關斷過程和開啟過程類似,也會有Miller plateau效應。
    我們可以看到,如果如果MOS管開啟時VDS上有原始電壓,那么MOS開啟過程中就會有Ids和Vds的重疊,那么會帶來Switching Loss。由于Coss上的能量在極短時間內被釋放,電容上能量會損失掉(換算為Loss為0.5*Coss*Vds^2*fs),而且只要是非零電壓開啟(Non Zero Voltage Switching),會給PCB和MOS的寄生電感與電容形成的諧振腔(resonant tank)引入比較大的dv/dt或者di/dt激勵,引起比較大的ringing,甚至超過管子的額定電壓,燒毀管子。
    那么我們可以避免這種情況的發生嗎?答案是可以的,也就是很多人提到的Zero Voltage Switching,雖然會付出一定的代價。我們先看如何能實現軟開關開啟Zero Voltage Switching Turn on。
    MOS管,開關電流,MOSFET
    圖2
    實現ZVS turn on很簡單,只需要在我們開啟管子前,Vds上的電壓為零就好,這樣Ids和Vds就沒有重疊了,turn on switching loss為零,沒有high di/dt, dv/dt問題,沒有ringing,完美!那么如何實現ZVS turn on呢?個人覺得分兩種情況討論:1為PWM converter,2為resonant converter(諧振變換器)。
    一, 對于PWM converter,就拿最簡單的兩個管子的half bridge(其實也就是buck converter)做例子。
    MOS管,開關電流,MOSFET
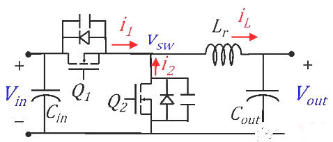
    圖3
    對于half bridge 實現ZVS turn on,我們希望當上管Q1開啟時電流是流進switching node (vsw)的,也就是圖中電感電流為負值,當下管Q2開啟時我們希望電流是流出switching node (vsw)的,也就是電感電流為正值。為什么這樣就可以實現ZVS turn on了呢?我們就看上管Q1開啟過程。如果電感電流iL為負,這時候我們先關閉Q2,這時候Q1還未開啟,在這個deadTIme中iL會charge Q2的Coss,使Vsw抬高到Vin,當然不能超過Vin,因為Q1的body diode會導通,鉗位住Vsw到Vin,這時候Q1的Vds就是Vin-Vsw=0,這時候我們開啟Q1就實現ZVS了。
    同理對于Q2開啟時,如果電感電流為正,那么當我們首先關閉Q1管時,Vsw就會被電感電流拉低到0,因為iL》0, Q2的Coss會discharged到0,然后我們再開啟Q2,就可以達到ZVS了。這里我有一張其他Topology的PWM converter的波形圖,也和buck工作原理類似,大概可以看看基本原理,也就是電感電流為負時,Q1可以實現ZVS,讓Vsw的ringing比較小。而當電感電流為正時,實現不了ZVS,Vsw的ringing就比較大了。
    MOS管,開關電流,MOSFET
    圖4
    二, 對于resonant converter,其實道理類似,我們也希望在我們開啟管子前,Vds上的電壓為零。那么對于resonant converter的half bridge,我們希望看到的impedance為inducTIve,也就是感性的,這樣switching node流出的電流I就會滯后于電壓V,現在ZVS turn on。
    MOS管,開關電流,MOSFET
    圖5
    這是因為如果電流I是滯后與電壓V的,這樣在Q1開啟之前電流I為負值就會charge Q2的Coss,同時discharge Q1的Coss,讓V到Vin,這樣Q1就實現ZVS turn on了。Q2開啟之前,電流I為正,也會discharge Q2的Coss,和charge Q1的Coss,讓V到0,這樣Q2就實現ZVS了。
    烜芯微專業制造二極管,三極管,MOS管,橋堆等20年,工廠直銷省20%,4000家電路電器生產企業選用,專業的工程師幫您穩定好每一批產品,如果您有遇到什么需要幫助解決的,可以點擊右邊的工程師,或者點擊銷售經理給您精準的報價以及產品介紹
    相關閱讀