最好看的2018免费观看在线-最好看的2019中文电影-最好免费观看高清视频免费-最近免费中文字幕大全免费版视频

您好!歡迎光臨烜芯微科技品牌官網!

深圳市烜芯微科技有限公司

ShenZhen XuanXinWei Technoligy Co.,Ltd
二極管、三極管、MOS管、橋堆

全國服務熱線:18923864027

  • 熱門關鍵詞:
  • 橋堆
  • 場效應管
  • 三極管
  • 二極管
  • 單電源供電回路中怎么獲得正負電源
    • 發布時間:2020-08-07 17:36:11
    • 來源:
    • 閱讀次數:
    單電源供電回路中怎么獲得正負電源
    單電源供電
    單電源供電回路中獲得正負電源的特殊方圖1所示極性變換電路的核心器件為普通的非門。由于輸入端與輸出端被短接在一起,故非門的輸出電壓與輸入電壓相等 (Vi=VO);這樣,非門被強制工作在轉移特性曲線的中心點處,因此輸出電壓被限定為門電路的閾值電平,其大小等于電源電壓的一半,如果我們將非門的輸出端作為直流接地端,就可以把電源電壓VCC轉換為±VCC/2的雙電源電壓;此時的非門起到了一個存儲電流的穩壓器的作用,電路的輸出阻抗較低、因而輸出電壓也比較穩定。
    圖中的非門可以選用74HC00或CD4069等普通門電路,考慮到CMOS非門驅動負載的能力有限,因此最好將幾個非門并聯使用以提高其有效輸出電流,圖中的電容C1、C2起退耦作用,容量可適當地取大一些。
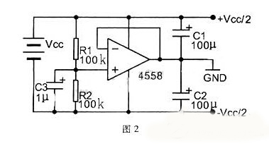
    圖2所示電路中的運放同相輸入端接有對稱的串聯電阻分壓器,而運放本身接為電壓跟隨器的形式;根據運放線性工作的特點不難看出:運放輸出端與分壓點間的電位嚴格相等。由于運放的輸出端作接地處理,因此運放的供電電源VCC就被相應地分隔成了兩組對稱的正、負電源±VCC/2。
    當運放的輸出電流無法滿足實際需求時,不能象門電路那樣簡單地并聯使用;這時可以將通用型小功率運放換為輸出電流較大的功放類運放器件,例如常見的TDA2030A。與圖1類似,C1、C2同為退耦電容、加載運放同相輸出端的電容C3起到了抑制干擾及濾波的作用
    單電源供電
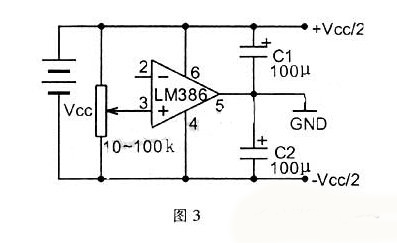
    對于大多數的OTL功放類器件而言,其內部一般都設置了對稱的偏置電路結構,這就使其輸出端的直流電位近似為電源電壓的一半;根據上述原理,我們完全可以利用集成功放將單電源轉換成為大小相等的雙極性正、負電源,具體電路如圖3所示。
    事實上,由于內容參數的離散性以及自舉電路結構的影響,集成功放輸出端的電壓并不是絕對的VCC/2,從而造成正、負輸出電壓不平衡的現象。對此我們需要將一只10-100kΩ的電位器串聯在正負電源之間,并把LM386第③腳輸入端接到電位器的中間抽頭,而第②腳保持懸空。對電路進行上述改進后,通過調節功放的直流輸入電平,就可以在芯片的輸出端得到大小非常緊接的正負電壓值了。
    單電源供電
    烜芯微專業制造二極管,三極管,MOS管,橋堆等20年,工廠直銷省20%,4000家電路電器生產企業選用,專業的工程師幫您穩定好每一批產品,如果您有遇到什么需要幫助解決的,可以點擊右邊的工程師,或者點擊銷售經理給您精準的報價以及產品介紹
    相關閱讀