最好看的2018免费观看在线-最好看的2019中文电影-最好免费观看高清视频免费-最近免费中文字幕大全免费版视频

您好!歡迎光臨烜芯微科技品牌官網!

深圳市烜芯微科技有限公司

ShenZhen XuanXinWei Technoligy Co.,Ltd
二極管、三極管、MOS管、橋堆

全國服務熱線:18923864027

  • 熱門關鍵詞:
  • 橋堆
  • 場效應管
  • 三極管
  • 二極管
  • 各種降壓穩壓器的設計與工作原理
    • 發布時間:2020-07-08 18:20:19
    • 來源:
    • 閱讀次數:
    各種降壓穩壓器的設計與工作原理
    目前最常見的開關穩壓器拓撲之一是降壓型開關穩壓器。降壓穩壓器IC通常采用內置控制器和集成FET進行降壓轉換。不僅如此,降壓穩壓器IC還可應用到各類設計中,如反相電源、雙極性電源以及單個或多個獨立電壓輸出的隔離電源。本文介紹了各種降壓穩壓器的設計,闡釋它們的工作原理,并討論實現這些設計需要考慮的實際因素。
    采用降壓穩壓器IC的降壓轉換器
    瑞薩電子ISL8541x系列降壓穩壓器IC具有集成的上管和下管FET、內部啟動二極管和內部補償,可最大限度地減少外部元件數量,實現非常小尺寸的整體解決方案。此外,該系列穩壓器IC具有3V~40V的寬輸入電壓范圍,可支持多節電池和各種穩壓電壓輸出。本文將以ISL85410降壓穩壓器IC為例詳細解釋各種應用設計。
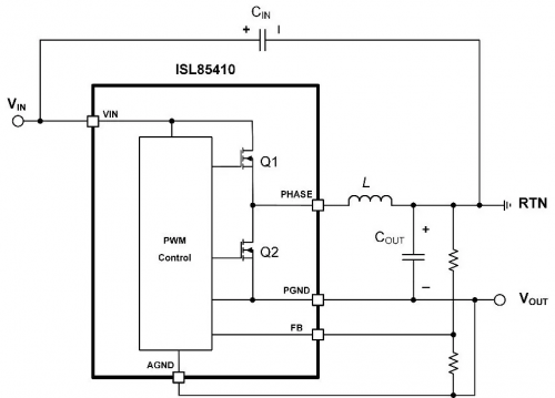
    電源設計中,當所需電壓低于系統中的可用電壓時,則需要使用降壓轉換器。例如,采用12V電池作為輸入電壓的系統,需要輸出5V、3.3V或1.2V電壓,以便為微控制器、I / O、存儲器和FPGA供電。通過有效地將高電壓轉換為低電壓,降壓轉換器可延長系統內的電池壽命、減少散熱并提高可靠性。圖1為使用ISL85410降壓穩壓器IC的降壓轉換器的簡化原理圖。
    降壓穩壓器
    圖1. 降壓轉換器的簡化原理圖
    輸出電壓與輸入電壓具有相同的極性,連續導通模式(CCM)中的電壓轉換率可表示為:
    (1)其中D是占空比,范圍從0到1,表示輸出電壓(VOUT)始終小于或等于輸入電壓(VIN)。
    采用降壓穩壓器IC的反相電源
    雖然電子系統通常使用正電壓,但有時也需要使用負電壓。在這種情況下,需要反相電源用正輸入生成負電壓。為滿足這些應用需求,比較常見的解決方案之一是使用反相降壓-升壓轉換器。
    圖2比較了降壓轉換器與反相降壓-升壓轉換器的功率級,表明可以通過切換FET Q2和電感L1來獲得反相降壓-升壓轉換器。這種拓撲變化會產生不同的電壓轉換比和輸出電壓的反相極性:
    (2)在反相降壓-升壓轉換器中,輸出電壓幅度可以高于或低于輸入電壓,并且輸出電壓相對于輸入電壓源的接地是負的。
    降壓穩壓器
    圖2. 降壓轉換器和反相降壓-升壓轉換器的功率級
    反相降壓-升壓轉換器可采用高度集成的降壓穩壓器IC實現。如圖3所示,使用ISL85410降壓穩壓器的簡化電路。將降壓穩壓器配置為反相降壓-升壓轉換器時,需要注意兩個重要區別。第一,輸入電壓的(VIN)返回(RTN)連接。圖1所示的降壓轉換器,輸入電壓的RTN同時也是接地端(即降壓調節器的AGND/PGND引腳),而在反相降壓-升壓轉換器中輸入電壓的RTN和接地端不再相同。因此,在實現反相降壓-升壓轉換器時,必須在VIN引腳和RTN(而非AGND/PGND引腳)上施加輸入電壓源。
    第二,VIN引腳上的電壓應力需參考AGND引腳。無論輸出電壓如何,降壓轉換器中的電壓始終等于輸入電壓(VIN)。相比之下,反相降壓 - 升壓轉換器中的VIN引腳必須能夠承受輸入電壓和輸出電壓之和(V IN + V OUT)。例如,在將24V轉換為-5V的設計中,VIN引腳上的電壓應力為29V而不是24V。必須謹記VIN引腳上的電壓應力不應超過IC數據表中規定的絕對最大額定電壓。
    降壓穩壓器
    圖3. 簡化的反相降壓-升壓轉換器
    采用降壓穩壓器IC的雙極性電源
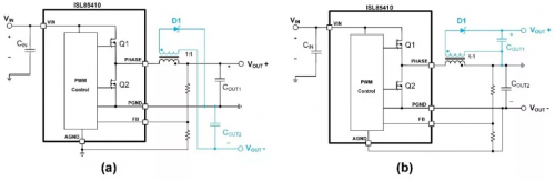
    許多應用,如運算放大器和數據采集系統,都需要雙極性±5V或±12V電源。一種常見的方法是使用單個開關調節器以及耦合電感器(通常也稱為變壓器)來產生負電壓和正電壓輸出。圖4展示了如何使用降壓轉換器和反相降壓-升壓轉換器來生成雙極性電源。
    如圖4(a)所示,首先將ISL85410降壓穩壓器配置為調節正輸出VOUT+的降壓穩壓器,然后通過增加額外的耦合繞組產生負輸出VOUT-。若對正輸出VOUT+就像在降壓轉換器中那樣進行調節,則負輸出VOUT-與VOUT+數值一樣(簡單起見,整流二極管D1的正向電壓降被忽略),但具有相反的極性。
    降壓穩壓器
    圖4. 使用降壓方法(a)或反相降壓-升壓方法(b)的雙極電源簡化原理圖
    圖5表示在DT和(1-D)T的時間間隔期間使用降壓方法的雙極電源的等效電路。在DT期間,上管FET Q1開啟,導致整流二極管D1反向電壓偏置,因此在次級繞組中沒有電流流動。在(1-D)T期間,Q1斷開,電流Ip通過下管FET Q2續流,次級繞組兩端的電壓(Vs)對應VOUT+,因此D1導通,為輸出電容COUT2充電,并為負載供電。建議以強制CCM配置轉換器,從而實現負輸出電壓(VOUT-)的良好電壓調節。
    降壓穩壓器
    圖5. 使用降壓方法的雙極電源等效電路
    下文詳細說明使用ISL85410建立并模擬雙極性電源的SIMPLIS模型的工作原理,關鍵參數見表1。
    降壓穩壓器
    表格1. 雙極性電源關鍵參數
    仿真波形如圖6所示。在Q2開啟的(1-D)T期間,次級繞組電流(Is)的耦合電流使總的原邊電流(Ip)變為負值。通過合適的設計,確保該負電流足夠低,避免在正常工作條件下觸發降壓穩壓器的負電流限制。
    降壓穩壓器
    圖6. 采用降壓法的雙極性電源仿真波形
    圖4(b)展示另一種方法,使用反相降壓-升壓轉換生成雙極性電源。與使用降壓轉換相比,反相降壓-升壓轉換是將降壓調節器IC配置為反相降壓-升壓來產生負電壓輸出,使用耦合繞組來產生正電壓輸出。與使用降壓轉換的雙極性電源不同,當輸入電壓低于輸出時,反相降壓-升壓轉換可以調節輸出(升壓轉換)。然而,在反相降壓 - 升壓轉換中FET電壓應力要高于降壓轉換。表2對比了這兩種轉換,并為特定應用選擇最佳解決方案提供了設計指導意見。
    降壓穩壓器
    表格2. 對比降壓轉換與反相降壓-升壓轉換的雙極性電源
    采用降壓穩壓器IC的隔離電源
    通常需要隔離型電壓輸出來提供電流隔離,并增強安全性和抗噪性。常見應用包括可編程邏輯控制器(PLC)、智能功率計量和IGBT驅動電源。反激和推挽轉換器是兩種常見而經濟的解決方案。然而,反激式轉換器通常需要光耦合器或輔助繞組來調節輸出電壓。此外,反激式開關會受到高電壓尖峰的影響,因此通常需要RCD緩沖器。推挽式直流變壓器以固定50%占空比運行,可能會影響到輸出電壓調節,有時需要額外的LDO才能實現精確的輸出調節。
    在上述雙極性電源(圖4)中,通過在降壓或反相降壓 - 升壓轉換器中使用電感器添加磁耦合繞組來實現額外的輸出電壓輸出。通過簡單地隔離這兩個輸出回路,可以實現隔離型電壓輸出(參見圖7),這種方法正變得越來越常用。
    單個隔離電壓軌的隔離電源
    降壓穩壓器
    圖7. 使用降壓法(a)或反相降壓-升壓方法(b)的簡化單隔離電壓軌
    使用降壓穩壓器產生隔離電壓輸出的兩種方法如圖7所示。這些配置類似于圖4所示的雙極性電源,只不過兩個輸出回路(參考)是分開的。與變壓器匝數比為1:1的雙極性電源不同,這種方法通過優化隔離電源的匝數比,能夠在次級側設置其所需的輸出電壓。此外,還可以通過調整使控制器以最佳占空比運行。
    帶降壓穩壓器的隔離電源具有多種優勢。如圖7(a)所示,以此降壓方法為例說明它的優勢。首先,它去掉了反激式轉換器中所需的光耦合器和輔助續流電路。其次,相對于反激式轉換器,降壓配置在初級側FET提供低電壓應力,低壓FET意味著更低的導通電阻和更高的效率。第三,初級側輸出(VOUT1)調節良好,隔離輸出(VOUT2)對應VOUT1,在寬輸入電壓范圍內可在次級側提供良好的輸出電壓調節。與沒有額外LDO的推挽式直流變壓器相比,可以實現更好的電壓調節。高度集成的降壓穩壓器IC,例如帶內部補償的ISL85410,可以輕松實現上述方法在電源設計中的應用。
    表2中,降壓轉換和反相降壓-升壓轉換設計雙極性電源的優點和缺點同樣適用于使用降壓穩壓器IC的隔離電源,電源設計人員應針對其特定應用選擇最合適的方法。
    多個隔離電壓輸出的隔離電源
    如圖2兩個案例所示,通過添加更多耦合繞組可以實現多個隔離電壓輸出,其工作原理類似于單個隔離電壓輸出。
    降壓穩壓器
    圖8. 使用降壓方法(a)或反相降壓-升壓方法(b)的多個隔離電壓輸出
    結論
    高集成的降壓穩壓器IC可以更容易地實現不同功率轉換并滿足不同的應用要求。本文闡述了這些降壓穩壓器IC如何用于生成反相電源、雙極性電源和單個或多個隔離電源。高度集成的ISL8541x系列降壓穩壓器IC具有寬泛的輸入電壓范圍、集成啟動二極管和內部補償。采用這些降壓穩壓器IC設計的反相、雙極性和隔離電源解決方案具有外部元件數量少、總體解決方案尺寸小及易于使用等多種重要優勢。
    烜芯微專業制造二極管,三極管,MOS管,橋堆等20年,工廠直銷省20%,4000家電路電器生產企業選用,專業的工程師幫您穩定好每一批產品,如果您有遇到什么需要幫助解決的,可以點擊右邊的工程師,或者點擊銷售經理給您精準的報價以及產品介紹
    相關閱讀