最好看的2018免费观看在线-最好看的2019中文电影-最好免费观看高清视频免费-最近免费中文字幕大全免费版视频

您好!歡迎光臨烜芯微科技品牌官網!

深圳市烜芯微科技有限公司

ShenZhen XuanXinWei Technoligy Co.,Ltd
二極管、三極管、MOS管、橋堆

全國服務熱線:18923864027

  • 熱門關鍵詞:
  • 橋堆
  • 場效應管
  • 三極管
  • 二極管
  • 雙極型三極管對管驅動電路圖解
    • 發布時間:2020-07-04 17:41:00
    • 來源:
    • 閱讀次數:
    雙極型三極管對管驅動電路圖解
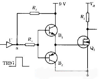
    驅動電路由緩沖器U、電阻R2 、R3 及1 對小功率開關三極管對管B1 、B2 組成。當控制信號為低電平時,同向緩沖器U 輸出低電平, a 點電位為低電位,雙極型三極管B1 、B2對管的基極電位為低電位,流過NPN 型三極管B1 的基極電流近似為零,三極管B1 截止,相當于集電極與發射極間串聯大電阻,而流過PNP 型三極管B2 的電流迅速達到飽和電流,三極管B2 飽和導通,N 溝道絕緣柵場效應管Q1 的柵極近似接地,Q1 管截止;當控制信號為高電平時,同向緩沖器U 輸出高電平, a 點電位為高電位,雙極型三極管B1 、B2 對管的基極電位為高電位,流過NPN 型三極管B1 的基極電流迅速達到飽和,三極管B1 飽和導通,而流過PNP 型三極管B2 的基極電流近似為零,三極管B2 截止,絕緣柵場效應管Q1 的柵極電位幾乎等于+ 9 V ,場效應管Q1 導通。電阻R2 是集電極開路同向緩沖器U 的上拉電阻,電阻R3 的作用是與功率三極管基極相連,在基極回路中形成電流。
    雙極型三極管對管驅動電路
    烜芯微專業制造二極管,三極管,MOS管,橋堆等20年,工廠直銷省20%,4000家電路電器生產企業選用,專業的工程師幫您穩定好每一批產品,如果您有遇到什么需要幫助解決的,可以點擊右邊的工程師,或者點擊銷售經理給您精準的報價以及產品介紹
    相關閱讀