場效應管是只有一種載流子參與導電,用輸入電壓控制輸出電流的半導體器件。有N溝道器件和P溝道器件。有結型場效應三極管JFET(Junction Field Effect Transister)和絕緣柵型場效應三極管IGFET( Insulated Gate Field Effect Transister) 之分。IGFET也稱金屬-氧化物-半導體三極管MOSFET(Metal Oxide SemIConductor FET)。


MOS場效應管
有增強型(Enhancement MOS 或EMOS)和耗盡型(Depletion)MOS或DMOS)兩大類,每一類有N溝道和P溝道兩種導電類型。場效應管有三個電極:
D(Drain) 稱為漏極,相當雙極型三極管的集電極;
G(Gate) 稱為柵極,相當于雙極型三極管的基極;
S(Source) 稱為源極,相當于雙極型三極管的發射極。
增強型MOS(EMOS)場效應管
道增強型MOSFET基本上是一種左右對稱的拓撲結構,它是在P型半導體上生成一層SiO2 薄膜絕緣層,然后用光刻工藝擴散兩個高摻雜的N型區,從N型區引出電極,一個是漏極D,一個是源極S。在源極和漏極之間的絕緣層上鍍一層金屬鋁作為柵極 G。P型半導體稱為襯底(substrat),用符號B表示。
一、工作原理
1.溝道形成原理
當Vgs=0 V時,漏源之間相當兩個背靠背的二極管,在D、S之間加上電壓,不會在D、S間形成電流。
當柵極加有電壓時,若0<VGS<VGS(TH)時(VGS(TH) 稱為開啟電壓),通過柵極和襯底間的電容作用,將靠近柵極下方的P型半導體中的空穴向下方排斥,出現了一薄層負離子的耗盡層。耗盡層中的少子將向表層運動,但數量有限,不足以形成溝道,所以仍然不足以形成漏極電流ID。< p>
進一步增加Vgs,當Vgs>Vgs(th)時,由于此時的柵極電壓已經比較強,在靠近柵極下方的P型半導體表層中聚集較多的電子,可以形成溝道,將漏極和源極溝通。如果此時加有漏源電 壓,就可以形成漏極電流ID。在柵極下方形成的導電溝道中的電子,因與P型半導體的載流子空穴極性相反,故稱為反型層(inversion layer)。隨著Vgs的繼續增加,ID將不斷增加。
在Vgs=0V時ID=0,只有當Vgs>Vgs(th)后才會出現漏極電流,這種MOS管稱為增強型MOS管。
VGS對漏極電流的控制關系可用iD=f(vGS)|VDS=const這一曲線描述,稱為轉移特性曲線,見圖。


轉移特性曲線斜率gm的大小反映了柵源電壓對漏極電流的控制作用。 gm 的量綱為mA/V,所以gm也稱為跨導。
跨導的定義式如下: gm=△ID/△VGS|
(單位mS)
2. Vds對溝道導電能力的控制
當Vgs>Vgs(th),且固定為某一值時,來分析漏源電壓Vds對漏極電流ID的影響。Vds的不同變化對溝道的影響如圖所示。


根據此圖可以有如下關系
VDS=VDG+VGS= —VGD+VGS
VGD=VGS—VDS
當VDS為0或較小時,相當VGD>VGS(th),溝道呈斜線分布。在緊靠漏極處,溝道達到開啟的程度以上,漏源之間有電流通過。
當VDS 增加到使VGD=VGS(th)時,相當于VDS增加使漏極處溝道縮減到剛剛開啟的情況,稱為預夾斷,此時的漏極電流ID基本飽和。
當VDS增加到 VGD<VGS(TH)時,預夾斷區域加長,伸向S極。 p VDS增加的部分基本降落在隨之加長的夾斷溝道上, ID基本趨于不變。
當VGS>VGS(th),且固定為某一值時,VDS對ID的影響,即iD=f(vDS)|VGS=const這一關系曲線如圖02.16所示。這一曲線稱為漏極輸出特性曲線。
二、伏安特性
1. 非飽和區
非飽和區(Nonsaturation Region)又稱可變電阻區,是溝道未被預夾斷的工作區。由不等式VGS>VGS(th)、VDS


2.飽和區
飽和區(Saturation Region)又稱放大區,是溝道預夾斷后所對應的工作區。由不等式VGS>VGS(th)、VDS>VGS-VGS(th) 限定。漏極電流表達式:
在這個工作區內,ID受VGS控制??紤]厄爾利效應的ID表達式:
3.截止區和亞閾區
VGS<VGS(TH),溝道未形成,ID=0。在VGS(TH)附近很小的區域叫亞閾區(SUBTHRESHOLD p Region)在這個區域內,ID與VGS的關系為指數關系。<>
4.擊穿區
當VDS 增大到足以使漏區與襯底間PN結引發雪崩擊穿時,ID迅速增加,管子進入擊穿區。
三、P溝道EMOS場效應管
在N型襯底中擴散兩個P+區,分別做為漏區和源區,并在兩個P+之間的SiO2絕緣層上覆蓋柵極金屬層,就構成了P溝道EMOS管。
耗盡型MOS(DMOS)場效應管
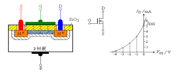
N 溝道耗盡型MOSFET的結構和符號如圖3-5所示,它是在柵極下方的SiO2絕緣層中摻入了大量的金屬正離子。所以當VGS=0時,這些正離子已經感應 出反型層,形成了溝道。于是,只要有漏源電壓,就有漏極電流存在。當VGS>0時,將使ID進一步增加。VGS<0時,隨著VGS的減小漏極電流逐漸減 小,直至ID=0。對應ID=0的VGS稱為夾斷電壓,用符號VGS(off)表示,有時也用VP表示。N溝道耗盡型MOSFET的轉移特性曲線見圖所示。


N溝道耗盡型MOSFET的結構和轉移特性曲線
P溝道MOSFET的工作原理與N溝道MOSFET完全相同,只不過導電的載流子不同,供電電壓極性不同而已。這如同雙極型三極管有NPN型和PNP型一樣。
烜芯微專業制造二極管,三極管,MOS管,橋堆等20年,工廠直銷省20%,1500家電路電器生產企業選用,專業的工程師幫您穩定好每一批產品,如果您有遇到什么需要幫助解決的,可以點擊右邊的工程師,或者點擊銷售經理給您精準的報價以及產品介紹
烜芯微專業制造二極管,三極管,MOS管,橋堆等20年,工廠直銷省20%,1500家電路電器生產企業選用,專業的工程師幫您穩定好每一批產品,如果您有遇到什么需要幫助解決的,可以點擊右邊的工程師,或者點擊銷售經理給您精準的報價以及產品介紹

