最好看的2018免费观看在线-最好看的2019中文电影-最好免费观看高清视频免费-最近免费中文字幕大全免费版视频

您好!歡迎光臨烜芯微科技品牌官網!

深圳市烜芯微科技有限公司

ShenZhen XuanXinWei Technoligy Co.,Ltd
二極管、三極管、MOS管、橋堆

全國服務熱線:18923864027

  • 熱門關鍵詞:
  • 橋堆
  • 場效應管
  • 三極管
  • 二極管
  • power mosfet概述-原理|結構|特性|主要參數|注意事項詳解
    • 發布時間:2020-06-13 18:20:43
    • 來源:
    • 閱讀次數:
    power mosfet概述-原理|結構|特性|主要參數|注意事項詳解
    什么是power mosfet
    power mosfet,中文是電力場效應晶體管的意思。電力場效應晶體管分為兩種類型,結型和絕緣柵型,但通常所說的是絕緣柵型中的MOS型(Metal Oxide Semiconductor FET),簡稱電力MOSFET(Power MOSFET)。
    P-MOSFET是用柵極電壓來控制漏極電流,它的顯著特點是驅動電路簡單,驅動功率小,開關速度快,工作頻率高;但是其電流容量小,耐壓低,只用于小功率的電力電子裝置,其工作原理與普通MOSFET一樣。
    特性
    power mosfet的主要特性如下:power mosfet靜態特性主要指輸出特性和轉移特性, 與靜態特性對應的主 要參數有漏極擊穿電壓,漏極額定電壓,漏極額定電流和柵極開啟電壓等.
    1、靜態特性
    (1) 輸出特性 輸出特性即是漏極的伏安特性.特性曲線,如圖 2(b)所示.由圖所見,輸出 特性分為截止,飽和與非飽和 3 個區域.這里飽和,非飽和的概念與 GTR 不同. 飽和是指漏極電流 ID 不隨漏源電壓 UDS 的增加而增加,也就是基本保持不變;非 飽和是指地 UCS 一定時,ID 隨 UDS 增加呈線性關系變化.
    mosfet
    (2) 轉移特性 轉移特性表示漏極電流 ID 與柵源之間電壓 UGS 的轉移特性關系曲線, 如圖 2(a) 所示. 轉移特性可表示出器件的放大能力, 并且是與 GTR 中的電流增益 β 相似. 由于power mosfet是壓控器件,因此用跨導這一參數來表示.跨導定義為 (1) 圖中 UT 為開啟電壓,只有當 UGS=UT 時才會出現導電溝道,產生漏極電流 ID
    2、動態特性
    動態特性主要描述輸入量與輸出量之間的時間關系,它影響器件的開關過程.由于該器件為單極型,靠多數載流子導 電,因此開關速度快,時間短,一般在納秒數量級.
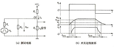
    power mosfet的動態特性.如圖所示.
    mosfet
    power mosfet柵極電阻;RL 為漏極負載電阻;RF 用以檢測漏極 電流.power mosfet的開關過程波形,如圖 3(b)所示. power mosfet的開通過程:由于 Power MOSFET 有輸入電容,因此當脈 沖電壓 up 的上升沿到來時,輸入電容有一個充電過程,柵極電壓 uGS 按指數曲線 上升.當 uGS 上升到開啟電壓 UT 時,開始形成導電溝道并出現漏極電流 iD.從 up 前沿時刻到 uGS=UT,且開始出現 iD 的時刻,這段時間稱為開通延時時間 td(on).此 后,iD 隨 uGS 的上升而上升,uGS 從開啟電壓 UT 上升到power mosfet臨近飽和區 的柵極電壓 uGSP 這段時間,稱為上升時間 tr.這樣power mosfet的開通時間
    ton=td(on)+tr(2)
    power mosfet 的關斷過程:當 up 信號電壓下降到 0 時,柵極輸入電容上儲 存的電荷通過電阻 RS 和 RG 放電,使柵極電壓按指數曲線下降,當下降到 uGSP 繼 續下降,iD 才開始減小,這段時間稱為關斷延時時間 td(off).此后,輸入電容繼續 放電,uGS 繼續下降,iD 也繼續下降,到 uGST 時導電溝道消失,iD=0, 這段時間稱為下降時間 tf.這樣 Power MOSFET 的關斷時間
    toff=td(off)+tf (3)
    從上述分析可知,要提高器件的開關速度,則必須減小開關時間.在輸入電 容一定的情況下,可以通過降低驅動電路的內阻 RS 來加快開關速度. 電力場效應管晶體管是壓控器件,在靜態時幾乎不輸入電流.但在開關過程 中,需要對輸入電容進行充放電,故仍需要一定的驅動功率.工作速度越快,需 要的驅動功率越大。
    主要參數
    power mosfet的主要參數
    除跨導Gfs、開啟電壓UT以及td(on)、tr、td(off)和tf之外還有:
    (1)漏極電壓UDS——電力MOSFET電壓定額
    (2)漏極直流電流ID和漏極脈沖電流幅值IDM——電力MOSFET電流定額
    (3)柵源電壓UGS—— UGS>20V將導致絕緣層擊穿 。
    (4)極間電容——極間電容CGS、CGD和CDS
    間加正向電壓使N型半導體中的多數載流子-電子由源極出發,經過溝道到達漏極形成漏極電流ID。
    power mosfet結構、原理、正向導通解析
    所謂功率MOS就是要承受大功率,換言之也就是高電壓、大電流。我們結合一般的低壓MOSFET來講解如何改變結構實現高壓、大電流。
    mosfet
    1) 高電壓:一般的MOSFET如果Drain的高電壓,很容易導致器件擊穿,而一般擊穿通道就是器件的另外三端(S/G/B),所以要解決高壓問題必須堵死這三端。Gate端只能靠場氧墊在Gate下面隔離與漏的距離(Field-Plate),而Bulk端的PN結擊穿只能靠降低PN結兩邊的濃度,而最討厭的是到Source端,它則需要一個長長的漂移區來作為漏極串聯電阻分壓,使得電壓都降在漂移區上就可以了。
    2) 大電流:一般的MOSFET的溝道長度有Poly CD決定,而功率MOSFET的溝道是靠兩次擴散的結深差來控制,所以只要process穩定就可以做的很小,而且不受光刻精度的限制。而器件的電流取決于W/L,所以如果要獲得大電流,只需要提高W就可以了。
    雖然這樣的器件能夠實現大功率要求,可是它依然有它固有的缺點,由于它的源、柵、漏三端都在表面,所以漏極與源極需要拉的很長,太浪費芯片面積。而且由于器件在表面則器件與器件之間如果要并聯則復雜性增加而且需要隔離。
    所以后來發展了VDMOS(Vertical DMOS),把漏極統一放到Wafer背面去了,這樣漏極和源極的漂移區長度完全可以通過背面減薄來控制,而且這樣的結構更利于管子之間的并聯結構實現大功率化。但是在BCD的工藝中還是的利用LDMOS結構,為了與CMOS兼容。
    mosfet
    再給大家講一下VDMOS的發展及演變吧,最早的VDMOS就是直接把LDMOS的Drain放到了背面通過背面減薄、Implant、金屬蒸發制作出來的(如下圖),他就是傳說中的Planar VDMOS,它和傳統的LDMOS比挑戰在于背面工藝。但是它的好處是正面的工藝與傳統CMOS工藝兼容,所以它還是有生命力的。但是這種結構的缺點在于它溝道是橫在表面的,面積利用率還是不夠高。
    再后來為了克服Planar DMOS帶來的缺點,所以發展了VMOS和UMOS結構。他們的做法是在Wafer表面挖一個槽,把管子的溝道從原來的Planar變成了沿著槽壁的vertical,果然是個聰明的想法。但是一個餡餅總是會搭配一個陷阱(IC制造總是在不斷trade-off),這樣的結構天生的缺點是槽太深容易電場集中而導致擊穿,而且工藝難度和成本都很高,且槽的底部必須絕對rouding,否則很容易擊穿或者產生應力的晶格缺陷。但是它的優點是晶飽數量比原來多很多,所以可以實現更多的晶體管并聯,比較適合低電壓大電流的application。
    mosfet
    power mosfet注意事項
    1、防止靜電擊穿
    防止靜電擊穿時應注意:
    (1)在MOSFET測試和接人電路之前,應存放在靜電包裝袋、導電材料或金屬容器中,不能放在塑料盒或塑料袋中。取用時應拿管殼部分而不是引線部分。工作人員需通過腕帶良好接地。
    (2)將MOSFET接入電路時,工作臺和烙鐵都必須良好接地,焊接時電烙鐵功率應不超過25W,最好是用內熱式烙鐵。先焊柵極,后焊漏極與源極。
    (3)在測試MOSFET時,測量儀器和工作臺都必須良好接地,并盡量減少相同儀器的使用次數和使用時間,從而盡快作業。MOsFET的三個電極未全部接入測試儀器或電路前.不要施加電壓。改換測試范圍時,電壓和電流都必須先恢復到零。
    (4)注意柵極電壓不要過限。有些型號的電力MOSFET內部輸入端接有齊納保護二極管,這種器件柵源間的反向電壓不得超過0.3V,對于內部未設齊納保護:極管的器件,應在柵源同外接齊納保護二極管或外接其他保護電路。
    (5)使用MOSFET時,盡最不穿易產生靜電荷的服裝(如尼龍服裝)。
    (6)在操作現場,要盡量回避易帶電的絕緣體(特別是化學纖維和靼料易帶電)和使用導電性物質。例如:導電性底板、空氣離子化增壓器等,并避免操作現場放置易產生靜電的物質,保證操作現場濕度適當。當濕度過高時,可采取加溫措施,正確的操作現場防靜電措施。
    2、防止偶然性振蕩損壞器件
    電力MOSFET在與測試儀器、接插盒等儀器的輸入電容、輸入電阻匹配不當時,可能出現偶然性振蕩,造成器件損壞。因此,在用圖示儀等儀器測試時,在器件的柵極端子處接lOkfl串聯電阻,也可在柵源問外接約0.5妒的電容器。
    (1)場效應晶體管互導大小與工作區有關,電壓越低則越高。
    (2)結型場效應晶體管的豫、漏極可以互換使用。
    (3)絕緣柵型場效應晶體管.在柵極開路時極易受周圍磁場作用,會產生瞬問高電壓使柵極擊穿。故在存放時,應將三個引腳短路,防止靜電感應電荷擊穿絕緣柵。
    (4)工作點的選擇,應不得超過額定漏源電壓、柵源電壓、耗散功率及最大電流所允許的數值。
    (5)測試絕緣柵場效應晶體管時,測試儀器應良好接地,以免擊穿柵極。
    (6)需采取防潮措施,防止由于輸入阻抗下降造成場效應晶體管性能惡化。
    烜芯微專業制造二極管,三極管,MOS管,橋堆等20年,工廠直銷省20%,1500家電路電器生產企業選用,專業的工程師幫您穩定好每一批產品,如果您有遇到什么需要幫助解決的,可以點擊右邊的工程師,或者點擊銷售經理給您精準的報價以及產品介紹
    相關閱讀