最好看的2018免费观看在线-最好看的2019中文电影-最好免费观看高清视频免费-最近免费中文字幕大全免费版视频

您好!歡迎光臨烜芯微科技品牌官網!

深圳市烜芯微科技有限公司

ShenZhen XuanXinWei Technoligy Co.,Ltd
二極管、三極管、MOS管、橋堆

全國服務熱線:18923864027

  • 熱門關鍵詞:
  • 橋堆
  • 場效應管
  • 三極管
  • 二極管
  • 繼電器原理特性及繼電驅動電路設計技巧
    • 發布時間:2020-05-22 17:47:57
    • 來源:
    • 閱讀次數:
    繼電器原理特性及繼電驅動電路設計技巧
    繼電器是一種電子控制器件,它具有控制系統(又稱輸入回路)和被控制系統(又稱輸出回路),通常應用于自動控制電路中,它實際上是用較小的電流去控制較大電流的一種“自動開關”。故在電路中起著自動調節、安全保護、轉換電路等作用。
    繼電器,晶體管,驅動電路
    一、繼電器(relay)的工作原理和特性
    繼電器,晶體管,驅動電路
    1、電磁繼電器的工作原理和特性
    電磁式繼電器一般由鐵芯、線圈、銜鐵、觸點簧片等組成的。只要在線圈兩端加上一定的電壓,線圈中就會流過一定的電流,從而產生電磁效應,銜鐵就會在電磁力吸引的作用下克服返回彈簧的拉力吸向鐵芯,從而帶動銜鐵的動觸點與靜觸點(常開觸點)吸合。當線圈斷電后,電磁的吸力也隨之消失,銜鐵就會在彈簧的反作用力返
    回原來的位置,使動觸點與原來的靜觸點(常閉觸點)釋放。這樣吸合、釋放,從而達到了在電路中的導通、切斷的目的。對于繼電器的“常開、常閉”觸點,可以這樣來區分:繼電器線圈未通電時處于斷開狀態的靜觸點,稱為“常開觸點”;處于接通狀態的靜觸點稱為“常閉觸點”。
    2、電路原理
    繼電器是一種當輸入量變化到某一定值時,其觸頭(或電路)即接通 或分斷交直流小容量控制回路。
    繼電器,晶體管,驅動電路
    由永久磁鐵保持釋放狀態,加上工作電壓后,電磁感應使銜鐵與永久磁鐵產生吸引和排斥力矩,產生向下的運動,最后達到吸合狀態。
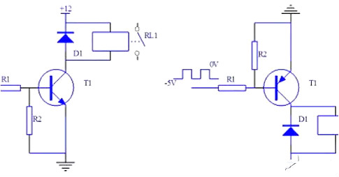
    3、 晶體管驅動驅動電路
    繼電器,晶體管,驅動電路
    當晶體管用來驅動繼電器時,推薦用NPN三極管。具體電路如下:
    當輸入高電平時,晶體管T1飽和導通,繼電器線圈通電,觸點吸合。
    當輸入低電平時,晶體管T1截止,繼電器線圈斷電,觸點斷開。
    電路中各元器件的作用:晶體管T1為控制開關;電阻R1主要起限流作用,降低晶體管T1功耗;電阻R2使晶體管T1可靠截止;二極管D1反向續流,為三極管由導通轉向關斷時為繼電器線圈中的提供泄放通路,并將其電壓箝位在+12V上。
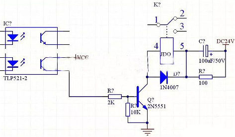
    4、集成電路驅動電路
    繼電器,晶體管,驅動電路
    目前已使用多個驅動晶體管集成的集成電路,使用這種集成電路能簡化驅動多個繼電器的印制板的設計過程。現在我司所用驅動繼電器的集成電路主要有TD62003AP。
    當2003輸入端為高電平時,對應的輸出口輸出低電平,繼電器線圈兩端通電,繼電器觸點吸合;
    當2003輸入端為低電平時,對應的輸出口呈高阻態,繼電器線圈兩端斷電,繼電器觸點斷開。
    繼電器,晶體管,驅動電路
    24V 繼電器的驅動電路
    繼電器串聯 RC  電路:這種形式主要應用于繼電器的額定工作電壓低于電源電壓的電路中。當電路閉合時,繼電器線圈由于自感現象會產生電動勢阻礙線圈中電流的增大,從而延長了吸合時間,串聯上  RC 電路后則可以縮短吸合時間。原理是電路閉合的瞬間,電容 C 兩端電壓不能突變可視為短路,這樣就將比繼電器線圈額定工作電壓高的電源電壓加到線圈上,  從而加快了線圈中電流增大的速度,使繼電器迅速吸合。電源穩定之后電容 C 不起作用,電阻 R 起限流作用。
    二、繼電器額定工作電壓的選擇
    繼電器額定工作電壓是繼電器最主要的一項技術參數。在使用繼電器時,應該首先考慮所在電路(即繼電器線圈所在的電路)的工作電壓,繼電器的額定工作電壓應等于所在電路的工作電壓。
    一般所在電路的工作電壓是繼電器額定工作電壓的0.86。注意所在電路的工件電壓千萬不能超過繼電器額定工作電壓,否則繼電器線圈容易燒毀。另外,有些集成電路,例如NE555電路是可以直接驅動繼電器工作的,而有些集成電路,例如  COMS 電路輸出電流小,需要加一級晶體管放大電路方可驅動繼電器,這就應考慮晶體管輸出電流應大于繼電器的額定工作電流。
    1、晶體管驅動電路
    當晶體管用來驅動繼電器時,必須將晶體管的發射極接地。具體電路如下:
    繼電器,晶體管,驅動電路
    2 、原理簡介
    NPN 晶體管驅動時:當晶體管 T1基極被輸入高電平時,晶體管飽和導通,集電極變為低電平,因此繼電器線圈通電,觸點 RL1吸合。當晶體管  T1基極被輸入低電平時,晶體管截止,繼電器線圈斷電,觸點 RL1斷開。
    烜芯微專業制造二極管,三極管,MOS管,橋堆等20年,工廠直銷省20%,1500家電路電器生產企業選用,專業的工程師幫您穩定好每一批產品,如果您有遇到什么需要幫助解決的,可以點擊右邊的工程師,或者點擊銷售經理給您精準的報價以及產品介紹
    相關閱讀