最好看的2018免费观看在线-最好看的2019中文电影-最好免费观看高清视频免费-最近免费中文字幕大全免费版视频

您好!歡迎光臨烜芯微科技品牌官網!

深圳市烜芯微科技有限公司

ShenZhen XuanXinWei Technoligy Co.,Ltd
二極管、三極管、MOS管、橋堆

全國服務熱線:18923864027

  • 熱門關鍵詞:
  • 橋堆
  • 場效應管
  • 三極管
  • 二極管
  • 二極管的作用與應用
    • 發布時間:2020-04-17 16:39:22
    • 來源:
    • 閱讀次數:
    二極管的作用與應用
    對于這種簡單的元器件,二極管的作用很廣泛。你會在幾乎所有電路中找到某種類型的二極管。它們可以用于從小信號數字邏輯到高壓電源轉換電路的任何功能。讓我們來探討一下這些應用程序。
    整流器
    整流器是將交流電(AC)轉換為直流電(DC)的電路。這種轉換對于各種家用電子產品至關重要。交流信號來自你家的墻壁插座,但DC是大多數計算機和其他微電子設備的驅動力。
    交流電路中的電流實際上是交替的 - 在正向和負向運行之間快速切換 - 但是直流信號中的電流僅在一個方向上運行。因此,要從AC轉換為DC,您只需要確保電流不能向負方向運行。聽起來像是二極管的工作!
    一個半波整流可以做出來的只是一個單一的二極管。如果通過二極管發送AC信號(例如正弦波),則截斷信號的任何負分量。
    二極管的作用
    半波整流輸入/輸出波形和電路
    通過半波整流電路(中間)后輸入(紅/左)和輸出(藍/右)電壓波形。
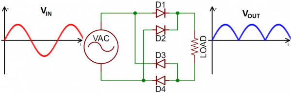
    一個全波橋式整流器采用四個二極管在AC信號的負拱轉化為積極的駝峰。
    二極管的作用
    全波橋式整流器輸入/輸出波形和電路
    橋式整流電路(中間)和輸出波形成(藍色/右側)。
    這些電路是交流 - 直流電源中的關鍵部件,可將墻上插座的120 / 240VAC信號轉換為3.3V,5V,12V等直流信號。如果你拆開墻壁疣,你很可能會看到一些二極管在那里,整流器。
    二極管的作用
    壁疣中的二極管
    你能看到四個二極管在這個壁疣中制造一個橋式整流器嗎?
    反向電流保護
    曾經以錯誤的方式貼電池?或者打開紅色和黑色電源線?如果是這樣,二極管可能會感謝您的電路仍然存在。與電源正極串聯的二極管稱為反向保護二極管。它確保電流只能在正方向流動,電源僅向電路施加正電壓。
    二極管的作用
    反向電流保護電路
    當電源連接器未極化時,此二極管應用非常有用,因此很容易弄亂并意外地將負電源連接到輸入電路的正極。
    反向保護二極管的缺點是,由于正向壓降,它會引起一些電壓損失。這使得肖特基二極管成為反向保護二極管的絕佳選擇。
    邏輯門
    忘記晶體管!簡單的數字邏輯門,如AND或OR,可以用二極管構建。
    例如,二極管雙輸入“或”門可以由具有共用陰極節點的兩個二極管構成。邏輯電路的輸出也位于該節點。無論何時輸入(或兩者)都是邏輯1(高/ 5V),輸出也變為邏輯1。當兩個輸入均為邏輯0(低電平/ 0V)時,輸出通過電阻拉低。
    二極管的作用
    二極管2輸入或門原理圖
    AND門以類似的方式構造。兩個二極管的陽極連接在一起,這是電路輸出所在的位置。兩個輸入必須為邏輯1,強制電流向輸出引腳運行并將其拉高。如果任一輸入為低電平,則來自5V電源的電流通過二極管。
    二極管的作用
    二極管2輸入AND門原理圖
    對于兩個邏輯門,只需添加一個二極管即可添加更多輸入。
    反激二極管和電壓尖峰抑制
    二極管經常用于限制意外的大電壓尖峰造成的潛在損壞。瞬態電壓抑制(TVS)二極管是特種二極管,類似齊納二極管 - 低擊穿電壓(通常約為20V) - 但具有非常大的額定功率(通常在千瓦范圍內)。它們設計用于在電壓超過其擊穿電壓時分流電流并吸收能量。
    反激式二極管在抑制電壓尖峰方面起著類似的作用,特別是那些由電感元件引起的電壓尖峰,如電機。當通過電感器的電流突然改變時,產生電壓尖峰,可能是非常大的負尖峰。放置在感性負載兩端的反激式二極管將為負電壓信號提供一條安全的放電路徑,實際上是通過電感和二極管反復循環,直到它最終消失。
    二極管的作用
    反激二極管電路
    對于這款令人驚嘆的小半導體元件,這只是少數應用。
    烜芯微專業制造二極管,三極管,MOS管,橋堆等20年,工廠直銷省20%,1500家電路電器生產企業選用,專業的工程師幫您穩定好每一批產品,如果您有遇到什么需要幫助解決的,可以點擊右邊的工程師,或者點擊銷售經理給您精準的報價以及產品介紹
    相關閱讀