最好看的2018免费观看在线-最好看的2019中文电影-最好免费观看高清视频免费-最近免费中文字幕大全免费版视频

您好!歡迎光臨烜芯微科技品牌官網!

深圳市烜芯微科技有限公司

ShenZhen XuanXinWei Technoligy Co.,Ltd
二極管、三極管、MOS管、橋堆

全國服務熱線:18923864027

  • 熱門關鍵詞:
  • 橋堆
  • 場效應管
  • 三極管
  • 二極管
  • 光耦的使用方法
    • 發布時間:2020-04-14 15:52:45
    • 來源:
    • 閱讀次數:
    光耦的使用方法
    光耦的引腳區分
    關于光耦的引腳區分問題,簡單的說,不在路用指針表X10測量,單向導通的一側是發射二極管,紅表筆接的是發射二極管的負極,黑表筆接的是正極,這是光耦的控制端,也可以說是輸入端;確定了一側的兩個腳后,余下的兩個腳便是接收管的引腳。
    而且一般情況下,在光耦的封裝表面,有點的是1腳,就是發射端的正極,同側為發射端負極,有點腳的另側為接收端的C極,還有一個為E極,常見的817系列是這樣,多腳位可參考規格書。
    大家可以記住這樣的方法,四腳光耦封裝外殼上標示的型號朝上為正面,在光電耦合器的針腳旁邊,有一個針腳是帶小圓點的,那個針腳就是1腳,我們再逆時針數,1 2 3 4,這樣就分辨出來了。
    光耦的使用方法
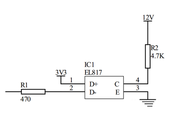
    這是型號為EL817的電路原理圖,是最基本的也是最常用的光耦的原理圖,光耦內部由發光二極管和光電三極管構成,當發光二極管發光時,如果光強達到要求,光電三極管就會導通。
    光耦的使用方法
    我們看光耦引腳的名稱,1腳就是發光二極管的陽極,2腳就是發光二極管的陰極,3腳是三極管的發射極,4腳是三極管的集電極。
    發光二極管電阻的選擇
    二極管正確點亮需要滿足兩個條件。第一,工作電流達到正常點亮的額定電流。第二,發光二極管的工作電流不能導致二極管燒壞。
    我們在計算與放光二極管串聯的限流電阻時應該首先了解發光二極管的正向壓降和正常發光的額定電流,在普通二極管中正向壓降通常在0.6V或者0.7V但是對于發光二極管來說他的正向導通壓降是隨著其顏色等條件而改變的具體的值將大于普通二極管。
    對于普通的普通得發光二極管正向壓降為:紅色1.6V,黃為1.4V左右,藍白為2.5V。工作電流在5-10mA左右。
    光耦的使用方法
    限流電阻的計算方法:
    在led燈串聯的情況下,限流電阻的計算公式為:R(Ω)=(U-n*(led燈的正偏壓降))/10mA
    在led燈并聯的情況下,限流電阻的計算公式為:R(Ω)=(U-led燈的正偏壓降)/(10mA*n)
    根據以上兩個公式大家就可以非常的方便的選擇發光二極管的正確的限流電阻了,其中兩個公式中的n都是代表LED燈的個數。
    其中,If是發光二極管的允許最大正向電流,值是80mA。這是需要考慮的第一個條件。
    光耦的使用方法
    再看第二張圖,Vf是二極管上的電壓,圖中給出,當If是20mA的時候,Vf的值最大是1.4V。這是需要考慮的第二個條件。
    我們需要考慮的第三個條件就是,你使用3.3V的電壓驅動?還是用5V的電壓驅動?
    如果你用的是3.3V電壓驅動的話,最小的限流電阻就是(3.3V-1.4V)/0.08A=23.75歐姆.....
    如果你用的是5V電壓驅動的話,最小的限流電阻就是(5V-1.4V)/0.08A=45歐姆.....
    小于這個電阻值,光耦就死翹翹了.....
    所以我們這里的電阻選擇,就要大于計算出的這些結果。這里,可以選擇330歐姆,470歐姆,510歐姆,1K,都可以使得發光二極管發亮后驅動里面的三極管導通。但是,電阻值如果選的太大的話,會造成發光二極管不亮。
    三極管電阻的選擇
    在第一張圖中,我們找到OUTPUT中的Ic,這個就是三極管允許通過的最大電流,是50mA,我們在做電路的時候,就需要注意一下。
    例如,當三極管的負載電壓是12V時,因為三極管當開關用,Vce會很小,所以這里我們忽略不計,那么R=12V/0.05A=240歐姆.....
    意思就是,只要電阻大于240歐姆,就可以了。
    這里我一般選擇1K,2K,4.7K,10K的電阻。
    下面是基本的電路圖:
    光耦的使用方法
    烜芯微專業制造二極管,三極管,MOS管,橋堆等20年,工廠直銷省20%,1500家電路電器生產企業選用,專業的工程師幫您穩定好每一批產品,如果您有遇到什么需要幫助解決的,可以點擊右邊的工程師,或者點擊銷售經理給您精準的報價以及產品介紹
    相關閱讀