最好看的2018免费观看在线-最好看的2019中文电影-最好免费观看高清视频免费-最近免费中文字幕大全免费版视频

您好!歡迎光臨烜芯微科技品牌官網!

深圳市烜芯微科技有限公司

ShenZhen XuanXinWei Technoligy Co.,Ltd
二極管、三極管、MOS管、橋堆

全國服務熱線:18923864027

  • 熱門關鍵詞:
  • 橋堆
  • 場效應管
  • 三極管
  • 二極管
  • 8050三極管開關電路應用案例解析
    • 發布時間:2020-03-21 16:22:41
    • 來源:
    • 閱讀次數:
    8050三極管開關電路應用案例解析
    基于8050三極管作為案例來對三個典型的開關電路進行分析,希望大家對該種管子有更深入的了解。本文整理的內容如下。
    一、8050三極管發射極跟隨開關電路
    在實際電路設計中需要考慮8050三極管Vceo,Vcbo等滿足耐壓,8050三極管滿足集電極功耗;通過負載電流和hfe(取三極管最小hfe來計算)計算基極電阻(要為基極電流留0.5至1倍的余量)。注意消特基二極管反向耐壓。
    8050三極管
    發射極跟隨開關電路
    發射極跟隨的優點就是開關速度快,可應用于中高頻信號的開關;R2不能太,大了電路容易受干擾;當然也不能太小,否則白白浪費前級的驅動能力。基極不需要限流電阻了,因為負載電流除以hfe就是基極電流,8050三極管會自動向上級所取這么大的電流。
    二、將簡單8050三極管開關電路進行改良
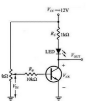
    簡單8050三極管開關:電路如圖1,電阻RC是LED限流用電阻,以防止電壓過高燒壞LED(發光二極管),將輸入信號VIN從0調到最大(等分為約20個間隔),觀察并記錄對的VOUT以及LED的亮度。當8050三極管開關為斷路時,VOUT=VCC=12V,LED不亮。當8050三極管開關通路時,VOUT=0.2V,LED會亮。改良三極管開關:因為三極管由截止區過度到飽和區需經過線性區,開關的效果不會有明確的界線。為使8050三極管開關的效果明確,可串接兩三極管,電路如圖2。同樣將輸入信號VIN從0調到最大(等分為約20個間隔),觀察并記錄對應的VOUT以及LED的亮度。
    8050三極管
    圖1 簡單8050三極管開關電路
    8050三極管
    圖2 改良的8050三極管開關電路
    以上就是對簡單的8050三極管開關電路進行改良的電路和發射極跟隨開關電路,經過對以上的案例電路分析之后,大家對8050三極管有更深入的認識。
    烜芯微專業制造二極管,三極管,MOS管,橋堆等20年,工廠直銷省20%,1500家電路電器生產企業選用,專業的工程師幫您穩定好每一批產品,如果您有遇到什么需要幫助解決的,可以點擊右邊的工程師,或者點擊銷售經理給您精準的報價以及產品介紹
    相關閱讀