最好看的2018免费观看在线-最好看的2019中文电影-最好免费观看高清视频免费-最近免费中文字幕大全免费版视频

您好!歡迎光臨烜芯微科技品牌官網!

深圳市烜芯微科技有限公司

ShenZhen XuanXinWei Technoligy Co.,Ltd
二極管、三極管、MOS管、橋堆

全國服務熱線:18923864027

  • 熱門關鍵詞:
  • 橋堆
  • 場效應管
  • 三極管
  • 二極管
  • 驅動雙極型晶體管的電路圖
    • 發布時間:2020-03-10 16:07:38
    • 來源:
    • 閱讀次數:
    驅動雙極型晶體管的電路圖
    其他類型的基極驅動電路
    在過去的幾年里 ,出現了許多專門用于驅動雙極型晶體管的電路 。它們大多應用于低功率場合 ,這些電路通過各種方法來達到以 F兩個目標 :①用最少的元器件獲得反向基極電壓和反向基極電流,或者在關斷和導通的過相巾將基極和發射極短路:②在主電路電流最大的時候,正向基極電流足夠驅動盧值小的晶體管 ,同時不會在主電路電流最小時驅動盧值大的晶 體管而產生存儲時間過長的問題 。下面將給出些例子。
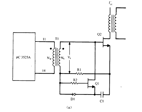
    設計了如圖 8.14 C a )所示的電路 ,用在 lOOOW 的離線式電源中該電路的主要特性是 ,在 Q2 即將關斷時導通 QI ,并通過變壓器 Tl 將電流和 2V 反向基極偏置電壓提 供給功率晶體管 Q2o 它既可驅動下橋臂的功率晶體管 ,也可工作在MOS管電源開關電路中來驅動上橋臂的晶體管。這個電路在低功率場合也得到了廣泛應用  。它的工作原理如下 。
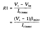
    假設( 圖 8.14 C b ) 電壓在 Q2 半個周期的部分時間內為高 ,其余時間內 Q2 將 關斷 ( Q2 的死區),Ns 上的電壓被鉗位為零 。在下半個周期里 ,電壓反向對磁心進行復位。將芯片的輸出腳 11 和輸出腳 14 連接于初級,就可以獲得所需的波形了。適當選擇變壓器Tl 的比使次級電壓 Vs 約為 4V。再選擇合適的電阻 RI ,給 Q2 基極限流 ,并能夠以要求的速度將 P 值最小的晶體管MOS管驅動至飽和導通 ,即
    驅動雙極型晶體管的電路
    Ns 上的電壓約為 4V,  R I 上的電壓約為 3V, 左端被充電到相對 Q2 發射極為一2V, RI 左端電位相對于 Q2 發射極為一3V 。當 R l 中有電流流過時,Ql 有一lV 反偏電壓 ,處于關 斷狀態。
    在死區初始時刻 ,Vs 跌落至零 ,Q2 快速關斷 ,其存儲時間越小越好 。一旦 Vs 下降為零, Cl  左端電位將比 Q2 發射極電位低 2V, 就相當于一個 2V  的浮充電源,給由 R l 、R2  和 Ql  的基射極串聯構成的電路供電 。
    此時,QI 導通 ,提供 Q2 基射極間的 2V 反向偏置電壓 ,Q2 關斷。Q2 基極的反向電流 具體是多少并不能確定 。QI 為 2N2222A 型管,它是一種流過 500mA 電流時,最小增益為 50 的快速晶體管 ,這足夠令 Q2 快速關斷了 ,且存儲時間也足夠小 。在 風的同名端再次為正 時,QI  因墓極反偏而關斷 。
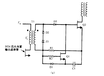
    如圖 8.14 C c ) 所示,該電路用更為便宜的 SG3524 芯片取代了 UC3525 。在這里 ,當 Vs 極性反向時 ,穩壓二極管 Zl ( 3.3V ) 和二極管 D2 對其進行鉗位 ,并在設定的時間內對磁心 進行復位 。為了避免被 QI   鉗位 ,二極管 D3  用來阻斷復位電壓 。
    Cl 通過 DI 被充至一個浮充偏置電壓 ,它通過R I 和 R2 的串聯電路導通 Qla Ql 導通時, 將 Q2 基極電壓拉低到一 2V ,從而關斷 Q2。由于增加了二極管 D3, Tl 的臣比需要根據使 Vs 獲得約 5V 電壓的要求進行選擇。
    驅動雙極型晶體管的電路
    驅動雙極型晶體管的電路
    驅動雙極型晶體管的電路
    圖 8.14 (a) Wood 基極MOS驅動電路 。當 N,的同名端為正,Q2 導通時,其基極電流被 Rl 限制。電壓 V,的選 擇應滿足使在流過己知基極電流的時候 Rl 上約有 4V 的電壓。若 Rl 上電壓為 4V ,則 Cl 通過 D1 充電至 3V 。當 N,上有電壓時,QI 被反向偏置而關斷 。當 NP 上的電壓跌落至零時 ,N,上的電壓 也跌落至零 。Cl 上的 3V 電壓通過電阻 Rl 和 R2 將 Ql 導通。這樣就給 Q2 的基極施加上 3V 的 反向偏置電壓 ,并令其迅速關斷 。C c) 在電路中增加 D3, Zl 和 D2 ,允許 Tl 直接連接到 3524 芯 片的輸出晶體管集電極上。
    烜芯微專業制造二極管,三極管,MOS管,橋堆等20年,工廠直銷省20%,1500家電路電器生產企業選用,專業的工程師幫您穩定好每一批產品,如果您有遇到什么需要幫助解決的,可以點擊右邊的工程師,或者點擊銷售經理給您精準的報價以及產品介紹
    相關閱讀