最好看的2018免费观看在线-最好看的2019中文电影-最好免费观看高清视频免费-最近免费中文字幕大全免费版视频

您好!歡迎光臨烜芯微科技品牌官網!

深圳市烜芯微科技有限公司

ShenZhen XuanXinWei Technoligy Co.,Ltd
二極管、三極管、MOS管、橋堆

全國服務熱線:18923864027

  • 熱門關鍵詞:
  • 橋堆
  • 場效應管
  • 三極管
  • 二極管
  • mos管驅動電機電路圖-電機驅動電路的作用與電路原理圖分析
    • 發布時間:2019-11-28 15:22:45
    • 來源:
    • 閱讀次數:
    mos管驅動電機電路圖
    mos管驅動電機電路圖,工作頻率和驅動信號的占空比不是很大,并且VMOS的功率規格也不是很大時,普通并不需求為VMOS配置特地的驅動電路。通用的CMOS半導體(互補金屬氧化物品體管邏輯IC)、TTL(晶體管邏輯)集成電路、常見的PWM專用IC的輸出級都能夠直接驅動VMOS。這種驅動方式普通適用于驅動信號的產生及控制電路與VMOS構成的功率級電路共地的狀況。
    TTL集成電路的邏輯電平為5V,輸出級通常由BJT(雙極性晶體管)組成,信號普通從集電極輸出,這就是常說的“集電極開路輸出”,當然,輸出級也有采用MOSFET的,這就是“開漏輸出”。上述開路輸出方式需求外部電路配置偏置電阻,以樹立工作點,限定輸出電流。
    mos管驅動電機電路圖
    mos管驅動電機電路圖的作用與電路原理圖
    電機驅動電路的作用
    電機驅動電路的作用指通過控制電機的旋轉角度和運轉速度,以此來實現對占空比的控制,來達到對電機怠速控制的方式。
    電機驅動電路原理圖及電路控制方案
    電機驅動電路既可通過繼電器或功率晶體管驅動,也可利用可控硅或功率型MOS場效應管驅動。為了適應不同的控制要求(如電機的工作電流、電壓,電機的調速,直流電機的正反轉控制等),下面介紹幾種電機驅動電路,以滿足以上要求:
    mos管驅動電機電路圖
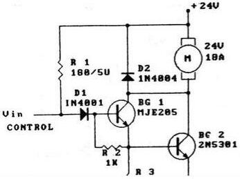
    圖1 
    圖1電路利用了達林頓晶體管擴大電機驅動電流,圖示電路將BG1的5A擴流到達林頓復合管的30A,輸入端可用低功率邏輯電平控制。上述電路采用的驅動方式屬傳統的單臂驅動,它只能使電機單向運轉,雙臂橋式推挽驅動可使控制更為靈活。
    mos管驅動電機電路圖
    圖2
    圖2為一款單端邏輯輸入控制的橋式驅動電路,它控制電機正反轉工作,這個電路的另一個特點是控制供電與電機驅動供電可以分開,因此它較好地適應了電機的電壓要求。
    mos管驅動電機電路圖
    圖3
    圖3也為單端正負電平驅動橋式電路,它采用雙組直流電源供電,該電路實際是兩個反相單臂驅動電路的組合。圖3也能控制電機的正反轉。
    mos管驅動電機電路圖
    圖4
    圖4電路以達林頓管為基礎驅動電機的正反轉,它由完全對稱的兩部分組成。當A、B兩輸入端之一為髙電平,另一端為低電平時,電機正轉或反轉;當兩輸入端同為高或低電平時,電機停轉;如采用脈寬調制,則可控制電機的轉速,因此圖4具有四種組合輸入狀態,電機卻可以產生五種運行狀態。這里箝位二極管D1、D2的加入具有重要的作用,它使達林頓管BG2,BG3不會產生失控,這在大功率下運轉時更顯安全。本電路的另一特點是輸入控制邏輯電平的高低與電機的直流工 作電壓無關,用TTL標準電平就能可靠地控制。
    mos管驅動電機電路圖
    圖5
    與圖4相比,圖5的橋式驅動電路更為有趣,其一它是以低電平觸發電機運轉;其二控制端A、B具有觸發鎖定功能;其三具有多種保護,如D1、D2的觸發鎖定,D3—D6的功率管集電極保護等。因此本電路只有三種輸入狀態有效,電機仍有五種工作狀態。D1 ,D2的作用是:若A為低電平時,BG1、BG2、BG5導通,BG2集電極的髙電平將通過D2封鎖B端的輸入,保證BG6截止,若本電路采用TTL電路觸發,必須選用集電極開路門電路。
    mos管驅動電機電路圖
    圖6
    因電機對供電穩定的要求并不高,圖6的驅動電路不失為一種交流供電方案,交流電經全橋整流后,驅動并聯使用的MOS場效應管Q1、Q2,R3、C1起濾波作用;續流二極管D用以防止高電壓對Q1、Q2的破壞。
    mos管驅動電機電路圖
    圖7
    圖7利用可控硅的整流特性驅動直流電機,本電路僅適用于小功率電機調速,R2,C3的濾波網絡可以吸收電機的反電動勢保護SCR,C2與L組成的濾波器,能抑制電網干擾。
    mos管驅動電機電路圖
    圖8
    用集成電路驅動電機的情況也較多,和一般的三端穩壓器直接驅動不同,圖8電路使電機可以獲得從0V至7V的驅動電壓,因而具有低壓調速性能,IC1為 正輸出的固定穩壓器,IC2為可調負輸出的四端穩壓器,調節R1可以使電機獲得零電壓,由于IC2的散熱片內部與輸入端相連,因此IC1, IC2可用公共散熱器,以適應低壓工作。
    mos管驅動電機電路圖
    圖9
    圖9采用功率型運放驅動電機,屬橋式驅動電路,控制信號從R1,R2,RP1, RP2組成的惠斯登電橋臂上得到,若RP2用于信號的檢測,電機對RP1進行反饋跟蹤調節,則可實現誤差比例控制,這里LM378可提供最大達1A的驅動電流,本電路在伺服系統中具有廣泛的應用。
    烜芯微專業制造二極管,三極管,MOS管,橋堆20年,工廠直銷省20%,1500家電路電器生產企業選用,專業的工程師幫您穩定好每一批產品,如果您有遇到什么需要幫助解決的,可以點擊右邊的工程師,或者點擊銷售經理給您精準的報價以及產品介紹
    相關閱讀