最好看的2018免费观看在线-最好看的2019中文电影-最好免费观看高清视频免费-最近免费中文字幕大全免费版视频

您好!歡迎光臨烜芯微科技品牌官網!

深圳市烜芯微科技有限公司

ShenZhen XuanXinWei Technoligy Co.,Ltd
二極管、三極管、MOS管、橋堆

全國服務熱線:18923864027

  • 熱門關鍵詞:
  • 橋堆
  • 場效應管
  • 三極管
  • 二極管
  • 電源逆變器-電源逆變器應用電路與元件選擇和設計方案
    • 發布時間:2019-09-24 12:16:30
    • 來源:
    • 閱讀次數:
    電源逆變器
    電源逆變器應用中隔離架構、電路和元件的選擇
    電機和電源控制逆變器設計人員都會遇到相同的問題,即如何將控制和用戶接口電路與危險的功率線路電壓隔離。隔離最主要的要求是方式功率線路電壓損壞控制電路,更重要的是,保護用戶受到危險電壓傷害。系統必須符合相應國際標準規定的安全要求,例如涵蓋電機驅動和太陽能逆變器的IEC 61800和IEC62109。這些標準主要注重符合性測試。標準的符合性測試會如何賦予工程師自由度?標準會在安全性方面為工程師提供指導,但如何賦予工程師自由度,以便可以選擇符合目標系統規格以及標準的相應架構、電路和元件呢?這些是由電路滿足在效率、帶寬和精度方面提供系統所需性能,同時又滿足安全隔離要求來決定的。設計創新系統的難題是,為現有架構、電路和元件制定的設計規則可能不再適用。因此,工程師需要花時間認真評估新電路或元件符合EMC和安全性標準的能力。某些地區工程師的責任更大,一旦所設計系統的安全功能失效并導致傷害,工程師可能需要承擔個人責任。本文探討了系統架構選擇對電源和控制電路設計以及系統性能的影響。本文還將說明最新可用隔離元件的性能提升如何幫助替代架構在不影響安全性的前提下提升系統性能。
    1、隔離架構
    我們關心的問題是您需要根據用戶提供的命令,安全地控制從交流電源到負載的能量流動。此問題在圖1所示的高電平電機驅動系統圖中針對以下三個電源域進行了闡述:給定、控制和功率。安全性要求是,用戶給定電路必須與功率電路上的危險電壓進行電位隔離。架構決策取決于隔離柵放置在給定和控制電路之間還是控制和功率電路之間。在電路之間引入隔離柵會影響信號完整性并增加成本。模擬反饋信號的隔離尤其困難,因為傳統變壓器方法會抑制直流信號分量并引入非線性。低速時的數字信號隔離相當簡單,但在高速或需要低延遲時則非常困難,并且耗電量巨大。帶3相逆變器的系統中的電源隔離尤為困難,因為有多個電源域連接至電源電路。電源電路有四個不同域,這些域需彼此之間需要功能性隔離;所以高端柵極驅動和繞組電流信號需要與控制電路功能性隔離,即使兩者可能與功率地共地。
    電源逆變器
    電源逆變器
    圖1. 電機控制系統中的隔離架構
    非隔離式控制架構在控制和電源電路之間存在共同的接地連接。這樣電機控制ADC可獲取電源電路中的所有信號。電機繞組電流流入低側逆變器臂時,ADC在基于中心的PWM信號的中點處進行采樣。低側IGBT柵極的驅動器可以是簡單的非隔離式,但PWM信號須經由具有功能性隔離或電平移位轉換實現與三個高側IGBT柵極隔離。命令和控制電路之間的隔離造成的復雜性取決于最終應用,但通常涉及使用獨立系統和通信處理器。簡單處理器即可管理前面板接口并在慢速串行接口上發送速度命令的架構在家用設備或低端工業應用中可以接受。由于命令接口的高帶寬要求,非隔離式架構在用于機器人和自動化應用的高性能驅動器中較少見。
    隔離式控制架構在控制和命令電路之間存在共同的接地連接。這使得控制和命令接口之間可以實現非常緊密的耦合,并且可使用單個處理器。隔離問題轉到電源逆變器信號上來,從而帶來一系列不同挑戰。柵極驅動信號需要相對高速的數字隔離來滿足逆變器的時序要求。由于存在非常高的電壓,磁性或光學耦合的驅動器在隔離要求極高的逆變器應用中表現良好。直流母線電壓隔離電路的要求則適中,這是因為其需要的動態范圍和帶寬較低。電機電流反饋是高性能驅動器中最大的難題,因為其需要高帶寬和線性隔離。電流互感器(CT)是很好的選擇,因為它們提供的隔離信號能夠輕松測量。CT在低電流時具有非線性,不會傳輸直流電平,但廣泛用于低端逆變器中。CT還用于帶非隔離式控制架構的大功率逆變器,因為這些場合下采用分流電阻采樣會導致損耗太大。開環和閉環霍爾效應電流傳感器可測量交流信號,因此更適合高端驅動器,但受失調影響。阻性分流器可提供高帶寬、線性信號,而且偏移低,但需要與高帶寬、低偏移隔離放大器相匹配。通常,電機控制ADC可直接采樣隔離電流信號,但下一節描述的替代測量架構可將隔離問題轉移到數字域,并且能夠大幅提升性能。
    2、使用隔離式轉換器的逆變器反饋
    改善隔離系統線性度的一種常見方法是將ADC移至隔離柵的另一側并隔離數字信號。在許多情況下,這需要將串聯ADC與數字信號隔離器結合使用。由于對電機電流反饋存在高頻的特殊要求,以及需要對驅動保護進行快速響應,因此可選擇Σ-Δ型ADC。Σ-Δ型ADC配有一個可將模擬信號轉換為一位碼流的線性調制器,其后配備可將信號重構為高分辨率數字字的數字濾波器。此方法的好處是可使用兩種不同的數字濾波器:較慢的用于高保真反饋,另一個低保真快速濾波器用于保護逆變器。在圖2中,繞組分流器用于測量電機繞組電流,隔離式ADC用于在隔離柵上傳輸10 MHz數據流。Sinc濾波器可將高分辨率電流數據提交給電機控制算法,該算法會計算施加所需逆變器電壓需要的逆變器占空比。另一個低分辨率濾波器可檢測電流過載,并在出現故障時將跳變信號發送至PWM調制器。Sinc濾波器頻率響應曲線解釋說明了合適的參數選擇如何能夠使濾波器抑制電流采樣中的PWM開關紋波。
    電源逆變器
    電源逆變器
    圖2. 隔離式電流反饋
    電源逆變器
    圖3. Sinc濾波器頻率響應
    3、電源輸出隔離
    兩種控制架構的共同問題是需要支持多個隔離電源域。如果每個域需要多個偏置軌,就更加難以實現。圖4的電路可產生+15 V和–7.5 V電壓用于柵極驅動,+5 V電壓用于為ADC供電,均在一個域中,同時每個域僅使用一個變壓器繞組和兩個引腳。使用一個變壓器磁芯和骨架為四個不同電源域創造雙電源或三電源。
    電源逆變器
    電源逆變器
    圖4. 柵極驅動和電流反饋轉換器的隔離電源電路
    電源逆變器設計方案
    APFC技術總結
    引言
    鐵路客車輔助電源負責給車上各種負載用電設備供電。本文所述逆變器是將列車提供的600 V直流電逆變成三相交流380 V,帶動客車空調機組工作,調節車廂溫度和通風,可調頻調壓,以實現空調變頻化。同時也為餐車上的電茶爐等三相負載供電。
    1、 逆變器方案設計
    逆變器是通過電力電子開關的開通和關斷作用,把直流電能轉變成交流電能的一種變換裝置,是整流變換的逆過程。電力電子開關器件的通斷,需要一定的驅動脈沖,這些脈沖可以通過改變一個電壓信號來調節,產生和調節脈沖的電路就是主控制電路。一個逆變器的電路組成除了逆變開關電路和主控制電路之外。還有保護電路、輔助電源、輸入輸出電路等。
    本設計中所用的直接逆變方案,是鐵路客車輔助電源主電路最簡單最基本的形式。方案如圖1所示。
    電源逆變器
    電源逆變器
    主要的功能模塊劃分為主控制系統、前級檢測、輸入控制、直流濾波、三相逆變、交流濾波,配合輔助電源、采樣、保護電路等。
    該電路優點是結構簡單、功率器件使用數量少:但缺點是逆變器輸出電壓容易受DC600 V干線電壓的波動影響,實測電壓品質因素差、諧波含量大,為了獲得相對恒定的交流電壓輸出,必須采用運算速度很快的DSP作主控制單元。
    DSP是一種適合數字信號處理的高性能微處理器,如何選擇DSP?可以從以下幾方面來考慮。
    (1)速度
    DSP速度一般用MIPS或FLOPS表示,即百萬次/s。一些設計會片面追求高處理速度,但速度越高,系統實現也越困難。
    (2)精度
    DSP芯片分為定點、浮點處理器,對于運算精度要求很高的處理,可選擇浮點處理器。定點處理器也可完成浮點運算,但精度和速度會有影響。
    (3)尋址空間
    不同系列DSP程序、數據、I/0空間大小不一,DSP在一個指令周期內能完成多個操作,所以DSP指令效率很高,程序空間一般不會有問題,關鍵是數據空間是否滿足。
    TMS320LF2407芯片在控制方面應用非常廣泛,作為一款專門面向數字控制系統進行優化的通用可編程微處理器,TMS320LF2407不僅具有低功耗和代碼保密的特點,而且它集成了極強的數字信號處理能力,又集成了數字控制系統所必需的輸入、輸出、A/D轉換、事件捕捉等外設,其時鐘頻率為40 MHz,指令周期小于50 nS,采用改進的哈佛結構和流水線技術,在一個指令周期內可以執行幾條指令。本方案中擬用TMS320LF2407作為DSP處理芯片。
    下面簡單介紹一下各部分電路情況。
    前級檢測可以有效監測輸入電壓的波動.準確實施過欠壓保護。
    輸入控制是利用接觸器對負載發生故障時實施隔離,防止故障進一步擴散。
    直流濾波的主要功能是濾平輸入電路的電壓紋波,當負載變化時,使直流電壓平穩。由于鐵路客車輔助電源逆變器的功率較大,因此濾波電容的容量也較大,一般使用電解電容。但由于電解電容的電壓等級限制(一般最高工作電壓在450 V),需要將其串聯后再并聯使用。而電容自身參數的離散導致電容電壓無法一致,解決的辦法是采用電容兩端并聯均壓電阻。
    按照鐵路客車輔助電源逆變器的設計要求。輸出為正弦波,交流濾波電路主要就是將逆變器輸出的PWM波變成準正弦波,以此保證較低的諧波含量。
    三相逆變是逆變器的核心電路,在直接逆變的方案圖中,該部分由VT1 ~VT6六個功率開關器件組成,各由一個續流二極管反并聯,整個逆變器由恒值直流電壓U供電。
    輸入電源、電動機的突然停止和線路感抗等會引起逆變器過壓;接觸網電壓的波動,有可能造成輸出欠壓;某些情況下,逆變器的輸出會超過其自身的輸出能力即過載;而功率器件工作時,產生各種損耗,其中主要包括導通過程損耗、通態損耗和關斷時的損耗,這些損耗以熱量的形式向外傳送,當開關頻率增高后,會造成過熱。
    對應以上逆變器工作中產生的種種情況,設計時需考慮各項保護功能:過壓保護、欠壓保護、過載保護、過熱保護等。
    2 控制方法
    在逆變器電路的設計中,控制方法是核心技術。早期的控制方法使得輸出為矩形波.諧波含量較高,濾波困難,而SPWM技術較好地克服了這些缺點。SPWM正弦脈寬調制技術是通過一系列寬窄不等的脈沖進行調制,來等效正弦波形(幅值、相位和頻率)。SPWM容易實現對電壓的控制。控制線性度好,廣泛用于直流交流逆變器。
    SPWM控制方式中有幾個重要的參量:載波頻率fc,調制波頻率fr及載波比N,N=fc/fr。
    在實際應用中,逆變器的啟動過程是一個變頻變壓的軟啟動過程,而且為了實現空調的變頻化。也就是說調制頻率fr是變化的。于是,在實行SPWM時,我們根據載波和調制波是否同步以及載波比N的變化情況,有異步調制和同步調制之分。
    (1)同步調制
    這種調制方式是使載波比Ⅳ等于常數.即在變頻時讓載波和調制波保持同步。其優點是波形對稱;但缺點是,在逆變器輸出頻率(調制波頻率)很低時,載波頻率也很低,產生輸出波形中諧波不易濾除,而且會帶來較大的噪音;當逆變器輸出頻率很高時,載波頻率會過高,使得功率開關器件難以承受。
    (2)異步調制
    為了消除同步調制的缺點,可以采用異步調制方式。顧名思義,異步調制時,在變頻器的整個變頻范圍內,載波比n不等于常數。一般在改變調制波頻率fr時保持三角載波頻率ft不變,因而提高了低頻時的載波比。這樣輸出電壓半波內的矩形脈沖數可隨輸出頻率的降低而增加,從而減少負載電動機的轉矩脈動與噪聲,改善了系統的低頻工作性能。
    有利必有弊,異步調制方式在改善低頻工作性能的同時,又失去了同步調制的優點。當載波比Ⅳ隨著輸出頻率的降低而連續變化時,輸出電壓波形及其相位都發生變化,難以保持三相輸出的對稱性,可能引起電動機工作的不平穩。
    通過分析,我們需要的是把兩種方式的優點結合起來,得到另一種調制方式:分段同步調制。即把逆變器的整個輸出頻率范圍(如50~60 Hz)劃分成若干個頻段,在每個頻段內都保持載波比N恒定.而不同頻段的載波比不同。在輸出頻率高的頻段采用較低的載波比,輸出頻率低的頻段采用較高的載波比。
    3 驅動電路
    驅動電路是將主控電路中產生的六個PWM信號,經光電隔離放大后,為逆變器提供驅動信號。
    本設計中驅動電路部分的開關功率器件選擇IGBT。
    IGBT(絕緣雙極型晶體管)是由BJT(雙極型三極管)和MOS(絕緣柵型場效應管)組成的復合全控型電壓驅動式功率半導體器件,兼有MOSFET的高輸入阻抗和GTR的低導通壓降兩方面的優點 GTR飽和壓降低,載流密度大,但驅動電流較大:MOSFET驅動功率很小,開關速度快,但導通壓降大,載流密度小。IGBT將MOSFET和GTR的優點集于一身,既具有輸入阻抗高、速度快、熱穩定性好和驅動電路簡單的優點,又有通態電壓低耐壓高的優點,因此發展很快,倍受歡迎,在電機驅動、中頻和開關電源以及要求快速、低損耗的領域.IGBT有取代MOSFET和GTR,IGBT非常適合應用于直流電壓為600 V及以上的變流系統。
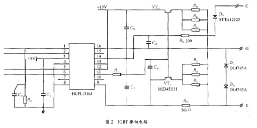
    因為橋式逆變器中的IGBT工作電位差大.不允許控制電路直接與其耦合,為了保證驅動電路和主電路之間的信號傳輸,一般采用光電耦合器的隔離驅動器。由于IGBT是高速器件,故必須選取小延時的高速型光耦。常用的是芯片HCPL-316J.本設計中選擇DSP為主控單元,其與HCPL-316J結合可驅動IGBT,控制其導通、關斷并實現保護功能。它的輸出功能可以簡略的用下面的邏輯功能表來描述,詳見表1所列。
    電源逆變器
    電源逆變器
    表格中最后一列為輸出。當輸出為High時IGBT導通,否則IGBT關斷。IGBT導通需要同時具備最后一行的五個條件,缺一不可,即同相輸入為高;反相輸入為低;欠壓保護功能無效;未檢測到IGBT故障,無故障反饋信號或故障反饋信號已被清除。
    根據上述輸出控制功能,設計電路如圖2。
    電源逆變器
    電源逆變器
    該電路具有以下功能:
    (1)能夠產生驅動IGBT所需的+15 V、-10 V電壓。保證了其可靠導通與關斷;
    (2)該電路所用核心器件HCPL-316J具有過電流保護自鎖功能,能夠有效防止IGBT在瞬時工作中過流而使保護誤動作,能夠有效的保護IGBT。
    4 結束語
    綜上.本設計中的逆變器綜合鐵路客車輔助電源的各項要求.采用IGBT作為功率器件,應用三相橋式逆變電路,利用DSP產生的脈沖調制信號進行控制。
    文中主要針對DC600 V鐵路客車輔助電源逆變器的設計提出一些自己的想法,簡述直接逆變方案的各部分電路,并具體闡述其主控方式及驅動部分的電路,希望借此給大家提供一點借鑒參考,在同類產品設計時拓寬思路,找出更多更優質的方案。
    烜芯微專業制造二三極管,MOS管,20年,工廠直銷省20%,1500家電路電器生產企業選用,專業的工程師幫您穩定好每一批產品,如果您有遇到什么需要幫助解決的,可以點擊右邊的工程師,或者點擊銷售經理給您精準的報價以及產品介紹
    相關閱讀