最好看的2018免费观看在线-最好看的2019中文电影-最好免费观看高清视频免费-最近免费中文字幕大全免费版视频

您好!歡迎光臨烜芯微科技品牌官網!

深圳市烜芯微科技有限公司

ShenZhen XuanXinWei Technoligy Co.,Ltd
二極管、三極管、MOS管、橋堆

全國服務熱線:18923864027

  • 熱門關鍵詞:
  • 橋堆
  • 場效應管
  • 三極管
  • 二極管
  • TO-220FCT封裝型號參數大全-中-低-高MOS管全塑封裝
    • 發布時間:2019-08-24 15:54:50
    • 來源:
    • 閱讀次數:
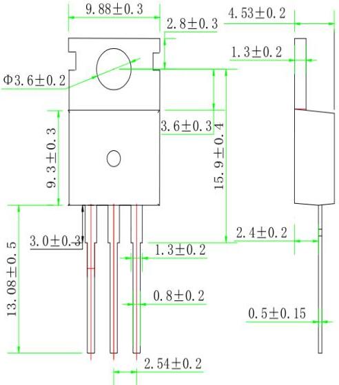
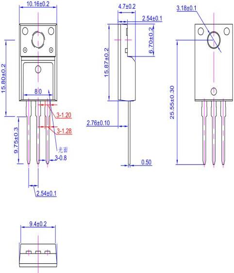
    MOS管TO-3P封裝-TO-220F封裝
    TO-220F封裝是全塑封裝,上到散熱器上不必加絕緣墊。TO-220帶金屬片與中間腳相連的,如裝散熱器的話要加絕緣墊。
    TO-220與TO-220F封裝的區別
    (一)TO-220與TO-220F外觀及封裝尺寸的區別
    TO-220F封裝
    TO-220
    TO-220F封裝
    TO-220F
    (二)TO-220與TO-220F封裝性能比較與區別
    TO-220、TO-220F封裝:TO-220F是全塑封裝,裝到散熱器上時不必加絕緣墊;TO-220帶金屬片與中間腳相連,裝散熱器時要加絕緣墊。這兩種封裝樣式的MOS管外觀差不多,可以互換使用。
    在電子元器件采購的很多時候,由于度 TO-220 .TO-220F 的不了解,性能無從的得知,其之間的區別也無法分清楚,很多時候就因為這樣發生一些小麻煩。下面我們就來講講TO-220 與 TO-220F,從而讓的大家了解并便于選購。
    TO-220和TO-220F封裝兩個封裝的Pd不同,源于兩種封裝的Rjc不同所致,Tj一般是到150℃,認為Tj=Tc+Pd*Rjc,其中,Tc是離晶圓最近的結構外殼的溫度,Pd是MOSFET上承載的功耗,Rjc是Juction to case的熱阻。
    TO-220F封裝選型表大全

    Part Numbe

    IDA

    VDSSv

    RDS(Ω)MAX

    RDS(Ω)TYP

    ciss

    pF

    2N60H

    2

    600

    5

    4.1

    200

    3N80H

    3

    800

    4.8

    4

    543

    4360A

    4

    600

    2.3

    1.9

    511

    4N60H

    4

    600

    2.7

    2.3

    500

    4365A

    4

    650

    2.5

    2

    523

    4N65H

    4

    650

    3

    2.5

    508

    5N60E

    4.5

    600

    2.5

    2

    780

    730H

    6

    400

    1

    0.83

    520

    7N60H

    7

    600

    1.2

    1

    900

    7N60U

    7

    600

    1.4

    1.15

    1020

    4665A

    7.5

    650

    1.4

    1.1

    970

    7N65H

    7

    650

    1.4

    1.2

    1000

    7N80H

    7

    800

    1.9

    1.4

    1300

    8N60H

    7.5

    600

    1.2

    0.98

    1000

    9N90S

    9

    900

    1.4

    1.05

    2780

    10N60H

    9.5

    600

    0.73

    0.6

    1570

    10N65H

    10

    650

    0.75

    0.65

    1650

    10N80H

    10

    800

    1.1

    0.85

    2230

    12N60H

    12

    600

    0.65

    0.53

    1850

    12N65H

    12

    650

    0.75

    0.63

    1850

    13N50H

    13

    500

    0.48

    0.4

    1600

    6650A

    15

    500

    0.45

    0.33

    2148

    16N50H

    16

    500

    0.38

    0.32

    2200

    18N50H

    18

    500

    0.32

    0.25

    2500

    20N50H

    20

    500

    0.26

    0.21

    2700

    烜芯微專業制造二三極管,MOS管,20年,工廠直銷省20%,1500家電路電器生產企業選用,專業的工程師幫您穩定好每一批產品,如果您有遇到什么需要幫助解決的,可以點擊右邊的工程師,或者點擊銷售經理給您精準的報價以及產品介紹
    相關閱讀