最好看的2018免费观看在线-最好看的2019中文电影-最好免费观看高清视频免费-最近免费中文字幕大全免费版视频

您好!歡迎光臨烜芯微科技品牌官網!

深圳市烜芯微科技有限公司

ShenZhen XuanXinWei Technoligy Co.,Ltd
二極管、三極管、MOS管、橋堆

全國服務熱線:18923864027

  • 熱門關鍵詞:
  • 橋堆
  • 場效應管
  • 三極管
  • 二極管
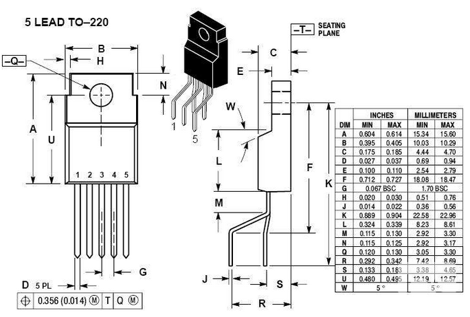
  • 快恢復二極管TO-220封裝尺寸圖
    • 發布時間:2019-05-30 18:03:44
    • 來源:
    • 閱讀次數:
    烜芯微是國內專業生產二三極管的生產廠家,先進的生產設備以及專業的工程師,可以很好的幫助客戶朋友穩定好品質,全自動化一貫機,加快了生產速度,以及成本的下降,實現了品質,供貨速度與價格的優勢
    TO-220封裝是一種快恢復二極管常采用的一種直插式的封裝形式。其中,TO英文是 Transistor Outline的縮寫。通常,TO-220為單排直插,一般可以引出3個、5個或7個腳。常見的TO-220封裝有TO-220、TO-220F、TO-220AB、TO-220AC、TO-220D等。
    TO-220全包(即塑封)和半包(即鐵封)產品可以滿足大功率二極管、三極管、MOS管和小規模IC的使用需求,采用帶散熱片的設計,增加了期間的散熱通道,均衡了電路的熱特性。其中全包產品可以實現散熱片和外部的電器絕緣,半包產品的散熱效果則更好,兩種外形的選擇可以滿足電路靈活設計和使用條件的不同需求。
    TO-220封裝結構圖與尺寸
    TO-220封裝尺寸 引腳
    快恢復二極管封裝尺寸
    TO-220AB封裝尺寸
    快恢復二極管封裝尺寸
    快恢復二極管  
    快恢復二極管TO-220系列的區別
    TO-220與TO-220F外型基本相同,都是2.54mm腳距的3腳單列直插封裝。
    TO-220F是全塑封裝,上到散熱器上不必加絕緣墊。
    TO-220帶金屬片與中間腳相連的,如裝散熱器的話要加絕緣墊。
    TO-220AC表示的單管,只有兩個腳,里面只有一個芯片。
    TO-220AB是雙管,里面兩個芯片,共陰方式連接,有兩個腳。
    TO-220幾種封裝性能對比
    TO-220的散熱部分:9.9×15.7,散熱金屬部分兩側有明顯缺耳;TO-220AB的散熱部分:10.4×15.0,散熱金屬部分兩側沒有明顯缺耳。TO-220和TO-220F兩個封裝的Pd不同,源于兩種封裝的Rjc不同所致,Tj一般是到150℃,我覺得Tj=Tc+Pd*Rjc,其中,Tc是離晶圓最近的結構外殼的溫度,Pd是快恢復二極管上承載的功耗,Rjc是Juction to case的熱阻。TO-220的Rjc小于TO-220的Rjc,TO-220封裝的散熱要優于TO-220F封裝的散熱。反之220F的絕緣好些,220的效率相對來講會稍大點,但是差異并不是特別明顯。
    烜芯微專業制造二三極管20年,工廠直銷省20%,1500家電路電器生產企業選用,專業的工程師幫您穩定好每一批產品,如果您有遇到什么需要幫助解決的,可以點擊右邊的工程師,或者點擊銷售經理給您精準的報價以及產品介紹
    相關閱讀